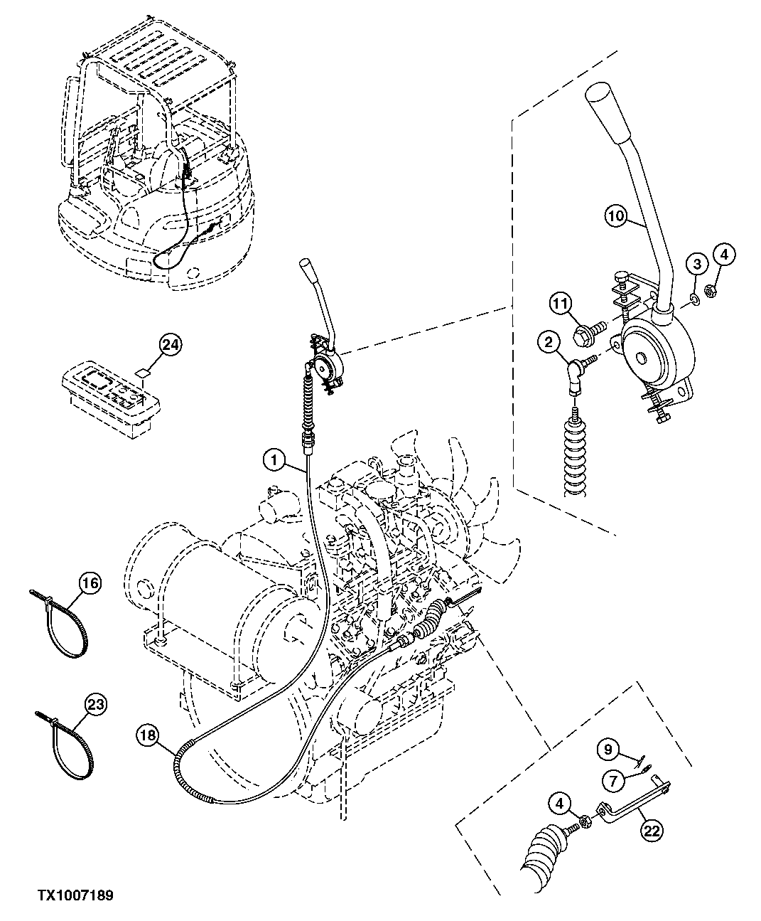
Запчасти John Deere 0C ZTS 47 - ENGINE CONTROL CABLE 0515 Engine Speed Controls

Схема запчастей John Deere 0C ZTS - 47 - ENGINE CONTROL CABLE 0515 Engine Speed Controls
FIT
1:1
100%

Артикул

Название

Примечание

Количество

1

Push Pull Cable

4418116 NLA

1шт.

4639264

Cable

1шт.

2

4722813

Ball Joint

SUB FOR 4056016

1шт.

3

12M7064

Lock Washer

5 mm

1шт.

4

14M7139

Nut

M4

3шт.

7

12M7054

Lock Washer

19 mm

1шт.

9

M800051

Pin

1шт.

10

4600371

Lever

1шт.

11

19M7407

Cap Screw

M8 X 25

2шт.

24M7055

Washer

8.400 X 16 X 1.600 mm

2шт.

12M7056

Lock Washer

8 mm

2шт.

16

H77698

Tie Band

2шт.

18

TY26185

Conduit

SUB FOR 4431714

1шт.

22

9754100

Bracket

1шт.

23

H77698

Tie Band

SUB FOR 4323613

1шт.

24

4419643

Cover

1шт.

Выбрано товаров: 16