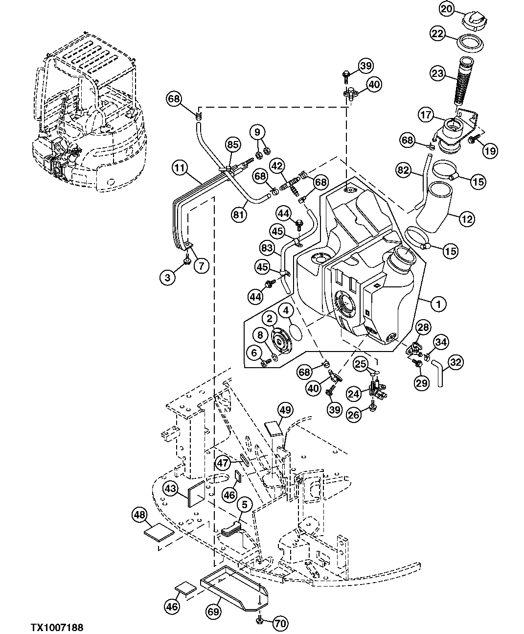
Запчасти John Deere 0C ZTS 55 - Fuel Tank 0564 Fuel Tank

Схема запчастей John Deere 0C ZTS - 55 - Fuel Tank 0564 Fuel Tank
FIT
1:1
100%

Артикул

Название

Примечание

Количество

1

4422946

Fuel Tank

1шт.

2

4423722

Cover

1шт.

3

19M7932

Cap Screw

M8 X 16 SUB FOR J090816

1шт.

24M7055

Washer

8.400 X 16 X 1.600 mm

1шт.

Washer

12M7065 NLA

1шт.

4

CH11573

Packing

1шт.

5

4431046

Isolator

1шт.

6

21M7285

Screw

M6 X 12

6шт.

7

9758655

Strap

1шт.

8

12M7006

Lock Washer

6 mm

6шт.

9

14M7274

Nut

M10

2шт.

11

4358422

Isolator

1шт.

12

4417330

Hose

1шт.

15

TY22488

Hose Clamp

2шт.

17

8088710

Holder

1шт.

19

19M7881

Screw

M8 X 20

2шт.

12M7056

Lock Washer

8 mm

2шт.

24M7036

Washer

9 X 16 X 1.600 mm

2шт.

20

4363380

Filler Cap

1шт.

4460931

Seal

1шт.

22

4392120

Boot

1шт.

23

4279093

Filter

SUB FOR AT251192 Fuel Tank

1шт.

24

4355689

Adapter Fitting

1шт.

25

4202987

O-Ring

2шт.

26

21M7347

Screw

M5 X 14

3шт.

12M7006

Lock Washer

6 mm

3шт.

28

4358947

Drain Valve

1шт.

29

19M8425

Cap Screw

M6 X 16 SUB FOR J090614

2шт.

24M7267

Washer

6.400 X 11 X 1.600 mm

2шт.

12M7006

Lock Washer

6 mm

2шт.

32

Bulk Hose

MAKE FROM TY22551, CTL 610 mm (24.0 1 in); SUB FOR TH4427945 OR 4427945

1шт.

34

4351486

Hose Clamp

1шт.

39

19M8425

Cap Screw

M6 X 16

4шт.

12M7006

Lock Washer

6 mm

4шт.

40

4608249

Elbow Fitting

SUB FOR 4400756

2шт.

42

4402364

Fitting

1шт.

43

4467988

Isolator

1шт.

44

J090612

Bolt

2шт.

45

4420036

Clamp

2шт.

46

4420296

Isolator

2шт.

47

4420297

Isolator

1шт.

48

4420298

Isolator

1шт.

49

4420314

Isolator

1шт.

68

4351486

Hose Clamp

6шт.

69

4467933

Cover

1шт.

70

19M7938

Cap Screw

M10 X 20 SUB FOR J051020

2шт.

24M7096

Washer

10.500 X 18 X 1.600 mm

2шт.

12M7066

Lock Washer

10 mm

2шт.

81

Bulk Hose

MAKE FROM TY22551, CTL 610 mm (24.0 1 in); SUB FOR TH4427945 OR 4427945

1шт.

82

Bulk Hose

MAKE FROM TY22551, CTL 610 mm (24.01 in) ; SUB FOR TH4427946, TH4427945 OR 4427945

1шт.

83

Bulk Hose

MAKE FROM TY22551, CTL 430 mm (16.93 in) ; SUB FOR TH4427949, TH4427945 OR 4427945

1шт.

85

H77698

Tie Band

1шт.

Выбрано товаров: 52