Запчасти John Deere 0ZTS 62 - LABELS AND DECALS FOR TOPS UNITS 1320 VEHICLE FINISH AND TRIM

Схема запчастей John Deere 0ZTS - 62 - LABELS AND DECALS FOR TOPS UNITS 1320 VEHICLE FINISH AND TRIM
FIT
1:1
100%

Артикул

Название

Примечание

Количество

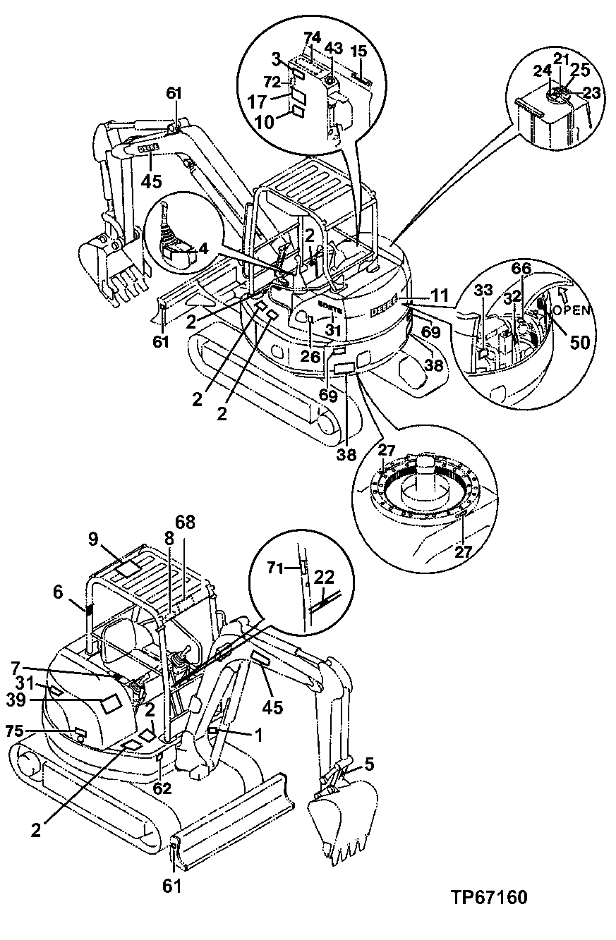
1

T183768

Label

(WARNING)

1шт.

2

H21259

Mat

(ANTI-SKID) (TRIM TO FIT)

6шт.

3

4441616

Label

(SUB FOR T185752)(ALARM CANCEL)

1шт.

4

4299059

Label

(SUB FOR T138886)(HYDRAULIC LOCK)

1шт.

5

T208596

Safety Sign

(SUB FOR T185672)(WARNING)

1шт.

6

3090193

Label

(SUB FOR T185751)(TOPS CERTIFICATION)

1шт.

7

T146102

Label

(BYPASS START)

1шт.

8

T146667

Safety Sign

(DANGER - ELECTROCUTION)

1шт.

9

2045090

Label

(SUB FOR T185750)(PERIODIC MAINTENANCE) (INSIDE TOPS)

1шт.

10

T159887

Safety Sign

(CAUTION)

1шт.

11

T187389

Label

(DEERE)

1шт.

15

4334011

Label

(SUB FOR AT258333)(THROTTLE)

1шт.

17

T163997

Label

(OPERATION - BLADE)

1шт.

21

4431916

Label

(SUB FOR AT258424)(HYRDAULIC OIL)

1шт.

22

4369061

Label

(SUB FOR AT258340)(BOOM SWING)

1шт.

23

T101942

Label

(HYDRAULIC OIL ONLY)

1шт.

24

4430516

Label

(SUB FOR AT258421)(HYDRAULIC OIL CAP)

1шт.

25

Label

(HYDRAULIC CAP) ( AT258431 NOT AVAILABLE FOR SERVICE)

1шт.

26

4431898

Label

(SUB FOR AT258423)(DIESEL ONLY)

1шт.

27

4409544

Label

(SUB FOR AT258389)(LUBR ICATION - SWING BEARING)

2шт.

31

T183472

Label

(MODEL)

2шт.

32

T152657

Safety Sign

(IMPORTANT)

1шт.

33

4433590

Label

(SUB FOR AT258429)(CAUTION)

1шт.

38

2044813

Label

(SUB FOR AT258317)(STAY CLEAR)

2шт.

39

JD5696

Label

(LEAPING DEER)

1шт.

JD5750

Label

1шт.

43

4430434

Label

(SUB FOR AT258419)(KEY SWITCH)

1шт.

45

T183799

Label

(DEERE)

2шт.

50

Label

(CAUTION - RADIATOR) ( AT2584 26 NOT AVAILABLE FOR SERVICE)

1шт.

61

4357593

Label

(SUB FOR AT258338)(LIFT)

3шт.

62

4422323

Label

(SUB FOR AT256111)(VALVE POSITION)

1шт.

66

R56902

Label

(AIR CLEANER)

1шт.

68

3090057

Label

(SUB FOR T185749)(LIFT CHART)

1шт.

69

JD5909

Reflector

2шт.

71

T146097

Label

(SUB FOR AT258322 OR 3088058)(WARNING)

1шт.

72

4430435

Label

(SUB FOR AT258420)(FUSE)

1шт.

74

T201519

Label

(SUB FOR TH3089167, TH4459646 , 4459646)(OPERATION PATTERN)

1шт.

75

4433591

Label

(SUB FOR AT258430)(ENGINE STOP)

1шт.

Выбрано товаров: 38