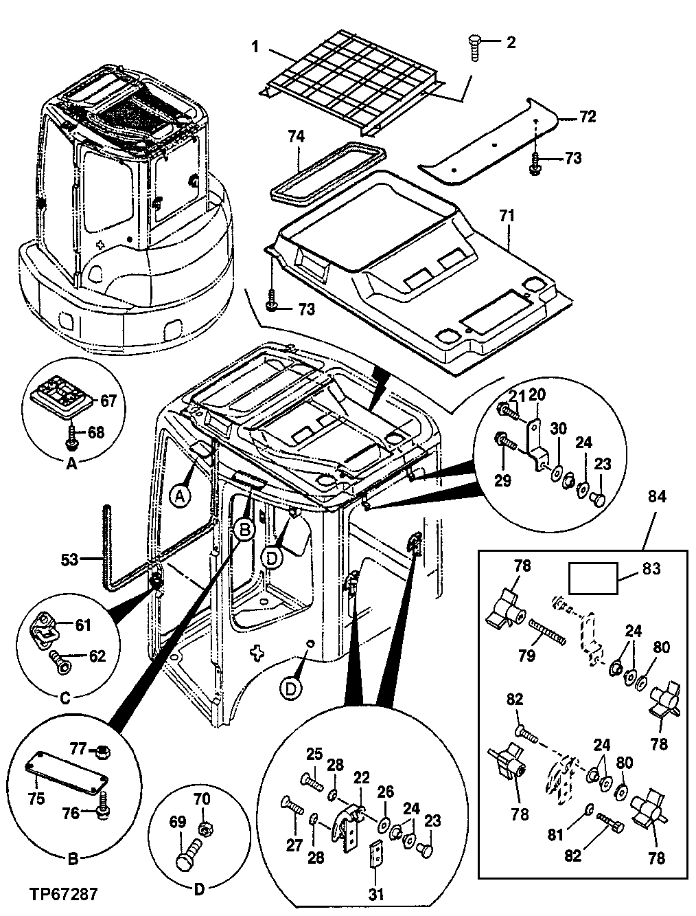
Запчасти John Deere 0ZTS 79 - Cab Components 1810 Operator Enclosure

Схема запчастей John Deere 0ZTS - 79 - Cab Components 1810 Operator Enclosure
FIT
1:1
100%

Артикул

Название

Примечание

Количество

0

9203820

Cab

SUB FOR 4454007; NOT ILLUSTRATED; CO NTAINS ALL ITEMS ON THIS PAGE WITH TH E EXCEPTION OF CAB TOP GUARD AND ATTA CHING HARDWARE - ADDITIONAL COMPONENT S LISTED ON PREVIOUS AND FOLLOWING PA GES

1шт.

1

7038840

Guard

SUB FOR TH7038840; NOT COMPON ENT OF CAB - ORDER SEPARATELY

1шт.

2

19M7932

Cap Screw

M8 X 16

4шт.

24M7055

Washer

8.400 X 16 X 1.600 mm

4шт.

Washer

12M7065 NLA

4шт.

20

4424675

Leaf Spring

SUB FOR AT252082

2шт.

21

M140225

Bolt

M6 X 14

2шт.

22

4347060

Handle

SUB FOR AT252062

2шт.

23

4424676

Retainer

SUB FOR AT252083

4шт.

24

4347062

Bumper

SUB FOR AT252063

8шт.

25

4424750

Cap Screw

SUB FOR AT252131

2шт.

26

12M7080

Lock Washer

6.400 mm SUB FOR AT252132 OR 4424751

2шт.

27

4380958

Bolt

SUB FOR TH4380958

4шт.

28

T205218

Washer

SUB FOR TH111908, 4107762

8шт.

29

4424753

Cap Screw

SUB FOR AT252133

2шт.

30

4424754

Washer

SUB FOR AT252134

2шт.

31

4424677

Plate

SUB FOR AT252084

2шт.

53

4424692

Weatherstrip

SUB FOR AT252098

1шт.

61

4347035

Striker

SUB FOR AT252059

1шт.

62

4424759

Cap Screw

SUB FOR AT252138

2шт.

67

4424703

Lamp

SUB FOR AT252106

1шт.

68

4424760

Bolt

SUB FOR TH4424760

2шт.

69

4347063

Stop

SUB FOR AT252064

2шт.

70

14M7274

Nut

M10

2шт.

71

4424722

Cover

SUB FOR AT252117

1шт.

72

4425835

Cover

SUB FOR AT252157

1шт.

73

4424723

Rivet

SUB FOR AT252118

6шт.

74

4424721

Weatherstrip

SUB FOR AT252116

1шт.

75

4424707

Plate

SUB FOR AT252108

1шт.

76

19M8425

Cap Screw

M6 X 16 SUB FOR TH4380957, 43809 57, J090616, J020616 OR TH111223

4шт.

12M7006

Lock Washer

6 mm

4шт.

24M7054

Washer

6.400 X 12 X 1.600 mm

4шт.

77

14M7272

Nut

M6

4шт.

78

T184750

Knob

8шт.

79

M87155

Rod

2шт.

80

24H1822

Washer

11/32" X 7/8" X 1/16"

4шт.

81

12M7080

Lock Washer

6.400 mm SUB FOR AT252132 OR 4424751

2шт.

82

19H3512

Cap Screw

1/4" X 1-1/4"

4шт.

83

T167256

Label

1шт.

84

AT190956

Kit

REAR SECONDARY EXIT WINDOW KIT

1шт.

Выбрано товаров: 40