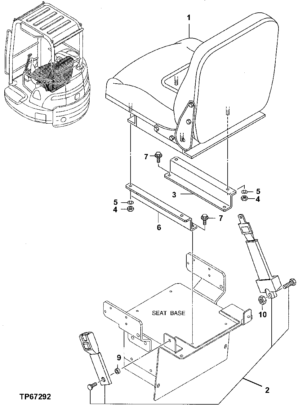
Запчасти John Deere 0ZTS 88 - Seat 1821 SEAT AND SEAT BELT

Схема запчастей John Deere 0ZTS - 88 - Seat 1821 SEAT AND SEAT BELT
FIT
1:1
100%

Артикул

Название

Примечание

Количество

1

4355591

Seat

SUB FOR AT251274

1шт.

2

4384239

Seat Belt

SUB FOR AT215572

1шт.

3

4429603

Bracket

SUB FOR TH4429603

1шт.

4

14M7273

Nut

M8

4шт.

5

Washer

12M7065 NLA

4шт.

6

4429447

Bracket

SUB FOR TH4429447

1шт.

7

19M7881

Screw

M8 X 20

4шт.

Washer

12M7065 NLA

4шт.

9

4372200

Spacer

SUB FOR P60915

1шт.

10

14H1047

Nut

7/16"

1шт.

Выбрано товаров: 10