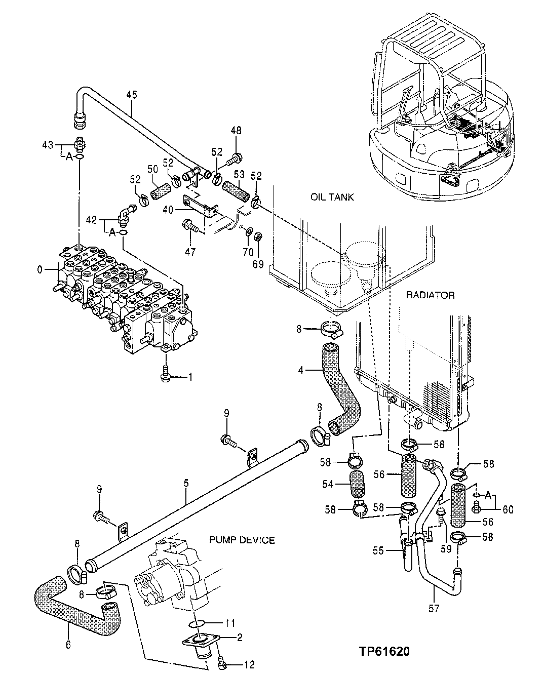
Запчасти John Deere 0ZTS 156 - OIL COOLER LINES AND MAIN CONTROL VALVE 3360 HYDRAULIC SYSTEM

Схема запчастей John Deere 0ZTS - 156 - OIL COOLER LINES AND MAIN CONTROL VALVE 3360 HYDRAULIC SYSTEM
FIT
1:1
100%

Артикул

Название

Примечание

Количество

0

Hyd Actuated Control Valve

( 4427490 NO LONGER AVAILABLE)

1шт.

Hyd Actuated Control Valve

( 4447586 NO LONGER AVAILABLE)

1шт.

1

19M7662

Cap Screw

M10 X 30

4шт.

12M7066

Lock Washer

10 mm

4шт.

2

9749637

Flange

(SUB FOR AT251641)

1шт.

4

3080516

Hose

(SUB FOR AT251140)

1шт.

5

7031164

Oil Line

(SUB FOR AT251542)(SUCTION)

1шт.

6

3080557

Hose

(SUB FOR AT251141)

1шт.

8

TY22470

Clamp

(SUB FOR AR65293)

4шт.

9

19M7402

Cap Screw

M10 X 25

2шт.

24M7096

Washer

10.500 X 18 X 1.600 mm

2шт.

12M7066

Lock Washer

10 mm

2шт.

11

CH11436

O-Ring

1шт.

12

19M8168

Screw

M12 X 25

4шт.

40

9749646

Bracket

(SUB FOR AT251642)

1шт.

42

4276853

Elbow Fitting

(SUB FOR AT251188)

1шт.

42A

AT318035

O-Ring

(SUB FOR 4506424, TH100055)

1шт.

43

4425276

Adapter Fitting

(SUB FOR AT251526)

1шт.

43A

AT318035

O-Ring

(SUB FOR 4506424, TH100055)

1шт.

45

7037076

Oil Line

(SUB FOR AT251557)

1шт.

47

19M7662

Cap Screw

M10 X 30

1шт.

24M7096

Washer

10.500 X 18 X 1.600 mm

1шт.

12M7066

Lock Washer

10 mm

1шт.

48

19M7402

Cap Screw

M10 X 25

1шт.

24M7096

Washer

10.500 X 18 X 1.600 mm

1шт.

12M7066

Lock Washer

10 mm

1шт.

50

4392019

Hose

(SUB FOR AT251332)

1шт.

52

TY22467

Clamp

4шт.

53

4075008

Hose

(SUB FOR AT251157)

1шт.

54

4120247

Hose

(SUB FOR AT251162)

1шт.

55

8070374

Oil Line

(SUB FOR AT251575)(RETURN)

1шт.

56

Hose

(SUB FOR TH106008)( 4120248 NO LONGER AVAILABLE FOR SERVICE) (FURNISH TY225 56 BULK MATERIAL CUT TO 150 MM LENGTH)

2шт.

57

8070375

Oil Line

(SUB FOR AT251576)(RETURN)

1шт.

58

TY22467

Clamp

6шт.

59

19M7402

Cap Screw

M10 X 25

2шт.

24M7096

Washer

10.500 X 18 X 1.600 mm

2шт.

12M7066

Lock Washer

10 mm

2шт.

60

4174541

Fitting

(SUB FOR TH110477)

1шт.

60A

4506418

O-Ring

17.800 X 2.400 mm (0.701" X 3/32") (SUB FOR U46489)

1шт.

69

14M7274

Nut

M10

1шт.

70

24M7028

Washer

10.500 X 20 X 2 mm (SUB FOR 12M7096)

1шт.

Выбрано товаров: 41