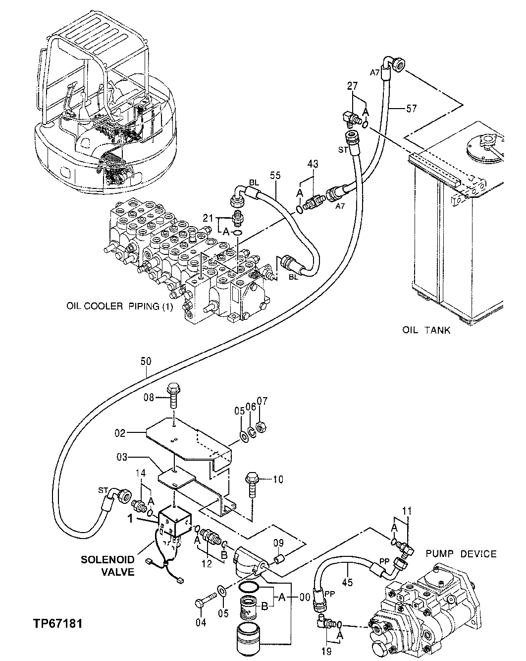
Запчасти John Deere 0ZTS 159 - PILOT PIPINGS 3360 HYDRAULIC SYSTEM

Схема запчастей John Deere 0ZTS - 159 - PILOT PIPINGS 3360 HYDRAULIC SYSTEM
FIT
1:1
100%

Артикул

Название

Примечание

Количество

0

4272379

Filter

SUB FOR AT251181

1шт.

0A

4294130

Filter Element

SUB FOR AT251210

1шт.

0B

Filter Element

1шт.

1

4390495

Solenoid Valve

NLA, ORDER 4438508, ALSO ORDER 308 9318 AND 3089319, SUB FOR AT251324

1шт.

4438508

Solenoid Valve

SUB FOR TH4438508

1шт.

2

3081637

Bracket

SUB FOR AT251146

1шт.

3089318

Plate

SUB FOR TH3089318

1шт.

3

3079537

Bracket

SUB FOR AT251137

1шт.

3089319

Bracket

SUB FOR TH3089319

1шт.

4

19M7689

Cap Screw

M6 X 80

1шт.

5

12M7054

Lock Washer

19 mm

2шт.

6

12M7006

Lock Washer

6 mm

1шт.

7

14M7272

Nut

M6

1шт.

8

19M7938

Cap Screw

M10 X 20

2шт.

24M7096

Washer

10.500 X 18 X 1.600 mm

2шт.

12M7066

Lock Washer

10 mm

2шт.

9

4277425

Spacer

SUB FOR AT251189

1шт.

10

19M7402

Cap Screw

M10 X 25

4шт.

24M7096

Washer

10.500 X 18 X 1.600 mm

4шт.

12M7066

Lock Washer

10 mm

4шт.

11

4094319

Elbow Fitting

SUB FOR AT251159

1шт.

11A

4506418

O-Ring

17.800 X 2.400 mm (0.701 " X 3/32") SUB FOR U46489

1шт.

12

4304543

Adapter Fitting

SUB FOR AT251220

1шт.

12A

CH11570

O-Ring

13.800 X 2.400 mm (0.543" X 3/32")

1шт.

12B

4506418

O-Ring

17.800 X 2.400 mm (0.701 " X 3/32") SUB FOR U46489

1шт.

14

4042031

Adapter Fitting

SUB FOR TH103891

1шт.

14A

CH11570

O-Ring

13.800 X 2.400 mm (0.543" X 3/32")

1шт.

19

4133249

Elbow Fitting

SUB FOR AT251164

1шт.

19A

M800650

Packing

1шт.

21

4042030

Adapter Fitting

SUB FOR TH105939

1шт.

21A

M800650

Packing

1шт.

27

4037761

Hose Fitting

SUB FOR TH103894

1шт.

27A

CH11570

O-Ring

13.800 X 2.400 mm (0.543" X 3/32")

1шт.

43

TH4112300

Elbow Fitting

SUB FOR AT251161

1шт.

43A

M800650

Packing

1шт.

45

4426429

Hydraulic Hose

(PP) SUB FOR AT251687

1шт.

50

4426431

Elec. Connector Terminal

(ST) SUB FOR AT251688

1шт.

55

4426432

Hydraulic Hose

(BL) SUB FOR AT251689

1шт.

57

4426428

Hydraulic Hose

(A7) SUB FOR AT251690

1шт.

Выбрано товаров: 39