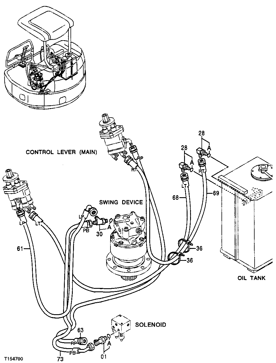
Запчасти John Deere 0ZTS 162 - PILOT PIPINGS (S/N 240162- ) 3360 HYDRAULIC SYSTEM

Схема запчастей John Deere 0ZTS - 162 - PILOT PIPINGS (S/N 240162- ) 3360 HYDRAULIC SYSTEM
FIT
1:1
100%

Артикул

Название

Примечание

Количество

1

4406156

Tee Fitting

(SUB FOR AT251451)

1шт.

1A

M800650

Packing

1шт.

28

4169594

Elbow Fitting

(SUB FOR AT251167)

2шт.

28A

CH11570

O-Ring

13.800 X 2.400 mm (0.543" X 3/32")

1шт.

30

4406156

Tee Fitting

(SUB FOR AT251451)

1шт.

30A

M800650

Packing

1шт.

36

H77698

Tie Band

2шт.

40

4402795

Isolator

(SUB FOR AT255945)

1шт.

61

4426471

Hydraulic Hose

(LP) (SUB FOR AT251691)

1шт.

63

4426470

Hydraulic Hose

(RP) (SUB FOR AT251693)

1шт.

68

4426475

Hydraulic Hose

(LT) (SUB FOR AT251694)

1шт.

69

4426476

Hydraulic Hose

(RT) (SUB FOR AT251695)

1шт.

73

4450199

Hydraulic Hose

(PB)

1шт.

Выбрано товаров: 13