Запчасти John Deere 0ZTS 183 - Boom Cylinder (Cab) 3360 HYDRAULIC SYSTEM

Схема запчастей John Deere 0ZTS - 183 - Boom Cylinder (Cab) 3360 HYDRAULIC SYSTEM
FIT
1:1
100%

Артикул

Название

Примечание

Количество

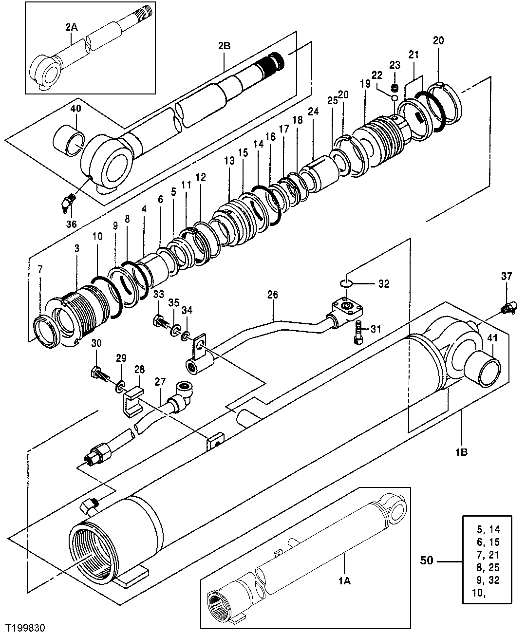
1A

Hydraulic Cylinder Barrel

(SUB 0844801)( AT251953, AT251945 OR 0 735401 NO LONGER AVAILABLE FOR SERVICE)

1шт.

1B

0844801

Hydraulic Cylinder Barrel

(SUB FOR 0735401)

1шт.

2A

Rod

(SUB 0844802)( AT251946 OR 073530 2 NO LONGER AVAILABLE FOR SERVICE)

1шт.

2B

0844802

Rod

(SUB FOR 0735302)

1шт.

3

0735303

Hydr. Cylinder Rod Guide

(SUB FOR AT251947)

1шт.

4

0479203

Bushing

(SUB FOR AT251769)

1шт.

5

Packing

1шт.

6

O-Ring

1шт.

7

0662802

Seal

(SUB FOR AT251895)

1шт.

8

O-Ring

1шт.

9

Ring

1шт.

10

O-Ring

1шт.

11

0495706

Ring

(SUB FOR AT251777)

1шт.

12

0495707

Ring

(SUB FOR AT251778)

1шт.

13

0662803

Retainer

(SUB FOR AT251896)

1шт.

14

O-Ring

1шт.

15

Ring

1шт.

16

0495803

Ring

(SUB FOR AT251779)

1шт.

17

0495804

Spacer

(SUB FOR AT251780)

1шт.

18

0495805

Ring

(SUB FOR AT251781)

1шт.

19

0735305

Piston

(SUB FOR AT251948)

1шт.

20

AT264229

Ring

(SUB FOR 0333007, 0495713, AT130547)

2шт.

21

Ring

1шт.

22

0370110

Ball

(SUB FOR AT251764, 0478719)

1шт.

23

ER046420

Set Screw

(SUB FOR AT251771 ) (SUB FOR 0479214)

1шт.

24

0735306

Bearing

(SUB FOR AT251949)

1шт.

25

0735102

Shim

(SUB FOR AT251944)

1шт.

26

0735307

Oil Line

(SUB FOR AT251950)

1шт.

27

0735402

Oil Line

(SUB FOR AT251954 OR AT251951)

1шт.

28

0662806

Clamp

(SUB FOR AT251897)

1шт.

29

Washer

1шт.

30

Bolt

1шт.

31

19M8439

Bolt

M8 X 25 SUB FOR 0654214

4шт.

32

0654215

O-Ring

(SUB FOR AT251845)

1шт.

33

19M7166

Bolt

M10 X 20 SUB FOR 0663202

1шт.

34

0658610

Washer

1шт.

35

0662807

Washer

1шт.

36

T116334

Lubrication Fitting

(SUB FOR TH0429921 ) (SUB FOR TH0271312)

1шт.

37

AH226482

Lubrication Fitting

(SUB FOR TH0481204, 0481 204, 0225709 OR CH18478)

1шт.

40

4353819

Bushing

1шт.

41

4353819

Bushing

1шт.

50

0735309

Hydraulic Cylinder Kit

(SUB FOR AT251952)

1шт.

Выбрано товаров: 42