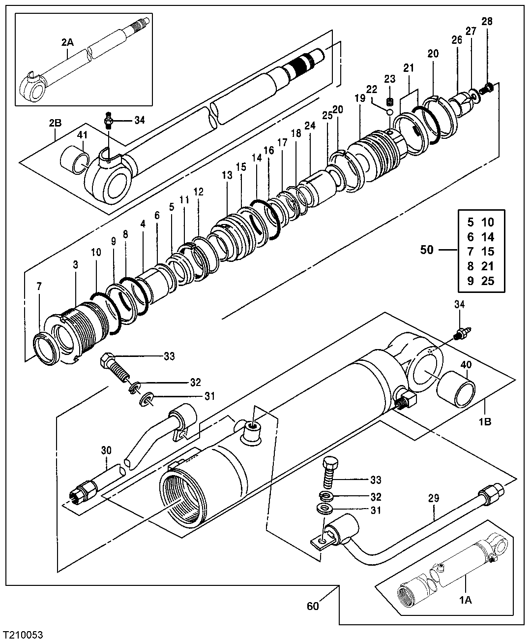
Запчасти John Deere 0ZTS 185 - Arm Cylinder 3360 HYDRAULIC SYSTEM

Схема запчастей John Deere 0ZTS - 185 - Arm Cylinder 3360 HYDRAULIC SYSTEM
FIT
1:1
100%

Артикул

Название

Примечание

Количество

1A

Hydraulic Cylinder Barrel

(SUB 0844601)( AT251955 OR 073550 1 NO LONGER AVAILABLE FOR SERVICE)

1шт.

1B

0844601

Hydraulic Cylinder Barrel

(SUB FOR 0735501)

1шт.

2A

0735504

Rod

(SUB FOR AT251956 OR 073 5502, ALONG WITH 0656716)

1шт.

2B

0844602

Rod

1шт.

3

0656703

Hydr. Cylinder Rod Guide

(SUB FOR AT251860)

1шт.

4

0843809

Bushing

(SUB FOR AT251760, 0478703)

1шт.

5

Packing

1шт.

6

Back-Up Ring

1шт.

7

0662901

Seal

(SUB FOR AT251898)

1шт.

8

O-Ring

1шт.

9

Back-Up Ring

1шт.

10

O-Ring

1шт.

11

0480905

Ring

(SUB FOR AT251772)

1шт.

12

0480906

Ring

(SUB FOR AT251773)

1шт.

13

0656706

Retainer

(SUB FOR AT251861)

1шт.

14

O-Ring

1шт.

15

Back-Up Ring

1шт.

16

0478713

Ring

(SUB FOR AT251761)

1шт.

17

0478714

Spacer

(SUB FOR AT251762)

1шт.

18

0478715

Ring

(SUB FOR AT251763)

1шт.

19

0656708

Piston

(SUB FOR AT251862)

1шт.

20

0380914

Ring

(SUB FOR AT251774)

2шт.

21

Ring

1шт.

22

0370110

Ball

(SUB FOR AT251764, 0478719)

1шт.

23

ER046420

Set Screw

(SUB FOR AT251771 ) (SUB FOR 0479214)

1шт.

24

0656709

Bearing

(SUB FOR AT251863)

1шт.

25

0656710

Back-Up Ring

(SUB FOR AT251864)

1шт.

26

0656716

Cushion

(SUB FOR 0656711)

1шт.

27

Washer

1шт.

28

0479105

Cap Screw

(SUB FOR AT251768)

1шт.

29

0656712

Oil Line

(SUB FOR AT251866)

1шт.

30

0735503

Oil Line

(SUB FOR AT251957)

1шт.

31

0479104

Washer

(SUB FOR AT251767)

2шт.

32

Washer

2шт.

33

Bolt

2шт.

34

0429920

Lubrication Fitting

(SUB FOR TH0429920)

2шт.

40

4332744

Bushing

1шт.

41

4332744

Bushing

1шт.

50

0843613

Seal Kit

(SUB FOR AT251867, 0656714)

1шт.

60

Hydraulic Cylinder

(SUB 4468846)( 9171446 NO L ONGER AVAILABLE FOR SERVICE)

1шт.

Выбрано товаров: 0