Запчасти John Deere 0ZTS 8 - Bolt Kit 0260 HYDRAULIC SYSTEM

Схема запчастей John Deere 0ZTS - 8 - Bolt Kit 0260 HYDRAULIC SYSTEM
FIT
1:1
100%

Артикул

Название

Примечание

Количество

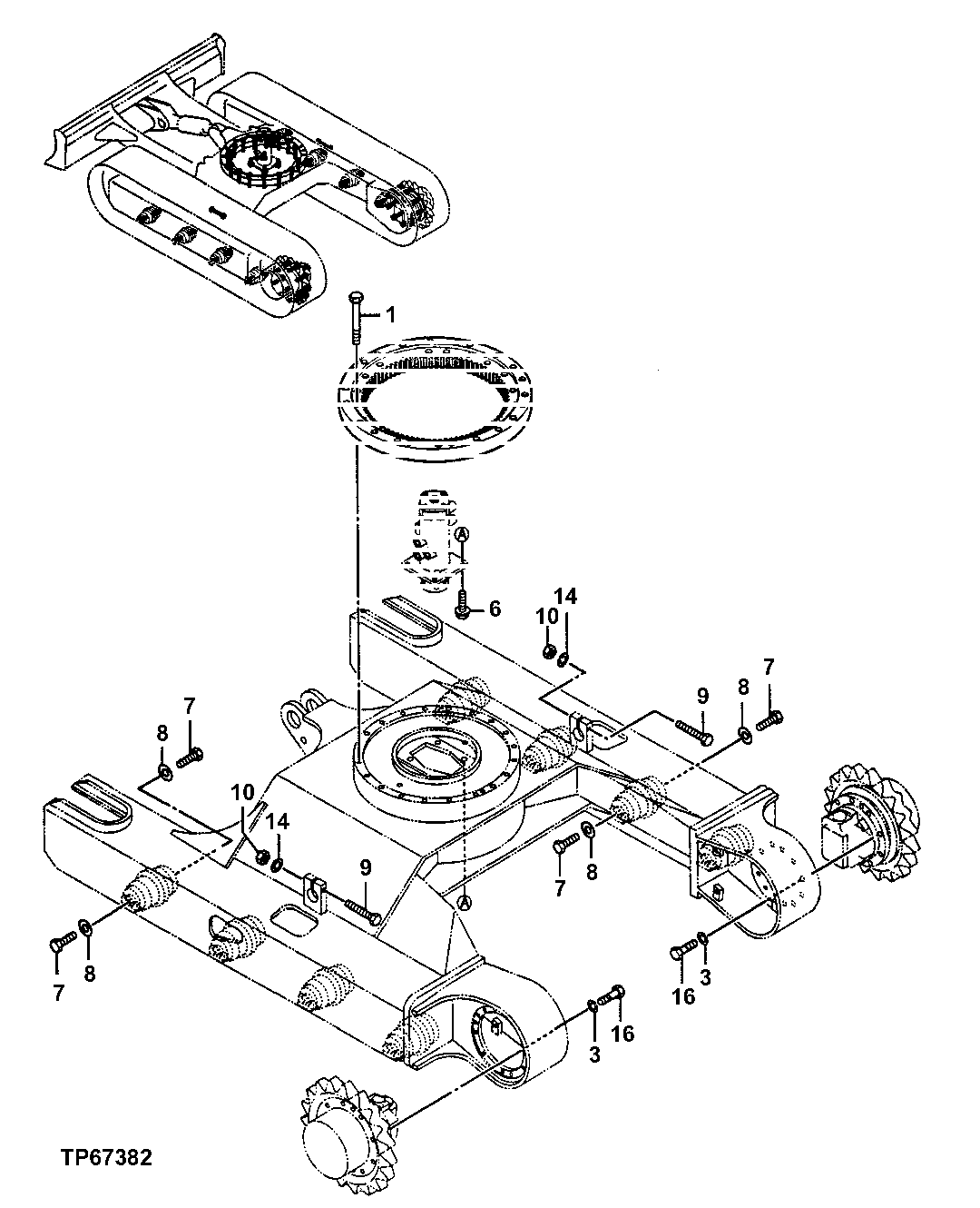
1

19M8322

Cap Screw

M12 X 80

20шт.

3

12M7058

Lock Washer

12 mm (SUB FOR 12M7067)

26шт.

6

19M7662

Cap Screw

M10 X 30

4шт.

12M7066

Lock Washer

10 mm

4шт.

7

T116332

Bolt

M18 X 40

16шт.

8

24H1236

Washer

13/16" X 2" X 0.149"

16шт.

9

19M7489

Cap Screw

M16 X 45

2шт.

10

14M7435

Nut

M14

2шт.

14

12M7068

Lock Washer

14 mm

2шт.

16

19M7493

Cap Screw

M12 X 40

26шт.

Выбрано товаров: 10