Запчасти John Deere 0ZTS 204 - Blade Support 3401 BLADES

Схема запчастей John Deere 0ZTS - 204 - Blade Support 3401 BLADES
FIT
1:1
100%

Артикул

Название

Примечание

Количество

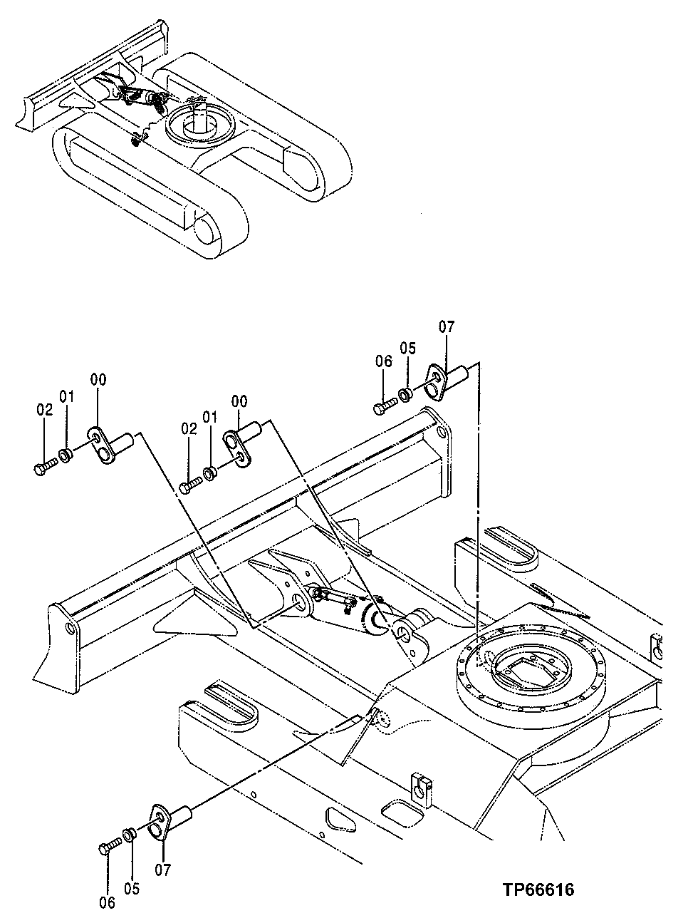
0

9744083

Pin Fastener

(SUB FOR AT251626)

2шт.

1

4339355

Bushing

(SUB FOR AT251237)

2шт.

2

19M6332

Cap Screw

M14 X 35

2шт.

5

4339355

Bushing

(SUB FOR AT251237)

2шт.

6

19M6332

Cap Screw

M14 X 35

2шт.

7

9745228

Pin Fastener

(SUB FOR AT251633)

2шт.

Выбрано товаров: 6