Запчасти John Deere 0ZTS 208 - Swing Motor And Park Brake, 1/2 4360 Hydraulics

Схема запчастей John Deere 0ZTS - 208 - Swing Motor And Park Brake, 1/2 4360 Hydraulics
FIT
1:1
100%

Артикул

Название

Примечание

Количество

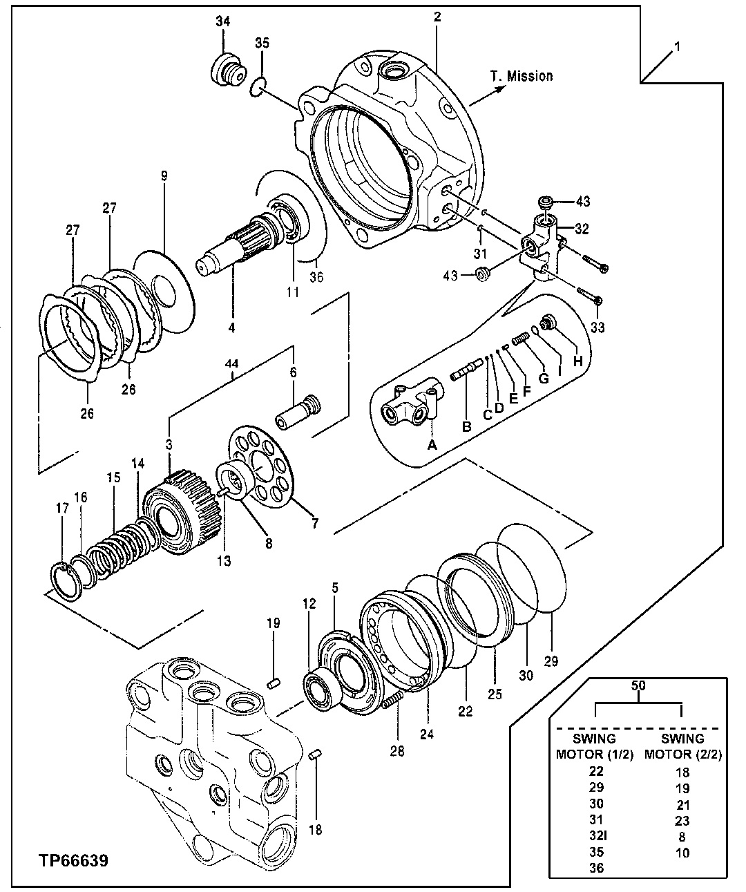
1

Hydraulic Motor

CONTAINS ALL ITEMS ON THIS PAGE -ADD ITIONAL COMPONENTS LISTED ON FOLLOWIN G PAGE 4404045 NLA, SUB FOR AT255950

1шт.

2

Case

1шт.

3

Cylinder Block

1шт.

4

0647502

Shaft

SUB FOR AT251803

1шт.

5

0397914

Plate

SUB FOR AT251724

1шт.

6

Piston

9шт.

7

0397909

Plate

SUB FOR AT251723

1шт.

8

0397908

Holder

SUB FOR AT251722

1шт.

9

0396807

Wear Plate

SUB FOR AT251719

1шт.

11

0646903

Ball Bearing

SUB FOR AT251798

1шт.

12

0397915

Ball Bearing

SUB FOR AT251725

1шт.

13

0434005

Pin

SUB FOR AT251749

3шт.

14

0397905

Retainer

SUB FOR AT251721

1шт.

15

AT151750

Lever

1шт.

16

0434007

Washer

SUB FOR AT251751

1шт.

17

0396815

Snap Ring

SUB FOR AT251720

1шт.

18

AT200028

Dowel Pin

2шт.

19

0396703

Dowel Pin

SUB FOR AT251718

1шт.

22

0631413

O-Ring

SUB FOR AT251788

1шт.

24

0680801

Piston

SUB FOR AT251911

1шт.

25

0631406

Ring

SUB FOR AT251783

1шт.

26

0631407

Disk With Outer Spline

SUB FOR AT251784

2шт.

27

0631408

Disk With Inner Spline

SUB FOR AT251785

2шт.

28

0646905

Spring

SUB FOR AT251799

14шт.

29

AT264223

O-Ring

SUB FOR AT121852, A811105

1шт.

30

AT264342

O-Ring

SUB FOR TH100125

1шт.

31

CH11568

Packing

2шт.

32

0631410

Spool Valve

SUB FOR AT251786

1шт.

32A

Housing

1шт.

32B

Valve

1шт.

32C

0311326

Filter

SUB FOR TH109072

1шт.

32D

0444215

Shim

SUB FOR AT200226

5шт.

32E

0631411

Orifice

SUB FOR AT251787

4шт.

32F

0444217

Orifice

SUB FOR AT200228

1шт.

32G

0602701

Spring

SUB FOR AT251782

1шт.

32H

0311336

Pipe Plug

SUB FOR TH109082

1шт.

32I

CH11570

O-Ring

13.800 X 2.400 mm (0.543" X 3/32")

1шт.

33

Bolt

2шт.

34

0436608

Fitting Plug

SUB FOR AT218054

1шт.

35

M800650

Packing

1шт.

36

AT264339

O-Ring

SUB FOR TH100122

1шт.

43

Plug

2шт.

44

0646906

Cylinder Kit

SUB FOR AT251800CYLINDER BLOCK KIT

1шт.

50

0658701

Seal Kit

ALSO CONTAINS COMPONENTS SHOWN O N FOLLOWING PAGE SUB FOR AT251892

1шт.

Выбрано товаров: 44