Запчасти John Deere 0ZTS 11 - Propel Motor Components 0260 HYDRAULIC SYSTEM

Схема запчастей John Deere 0ZTS - 11 - Propel Motor Components 0260 HYDRAULIC SYSTEM
FIT
1:1
100%

Артикул

Название

Примечание

Количество

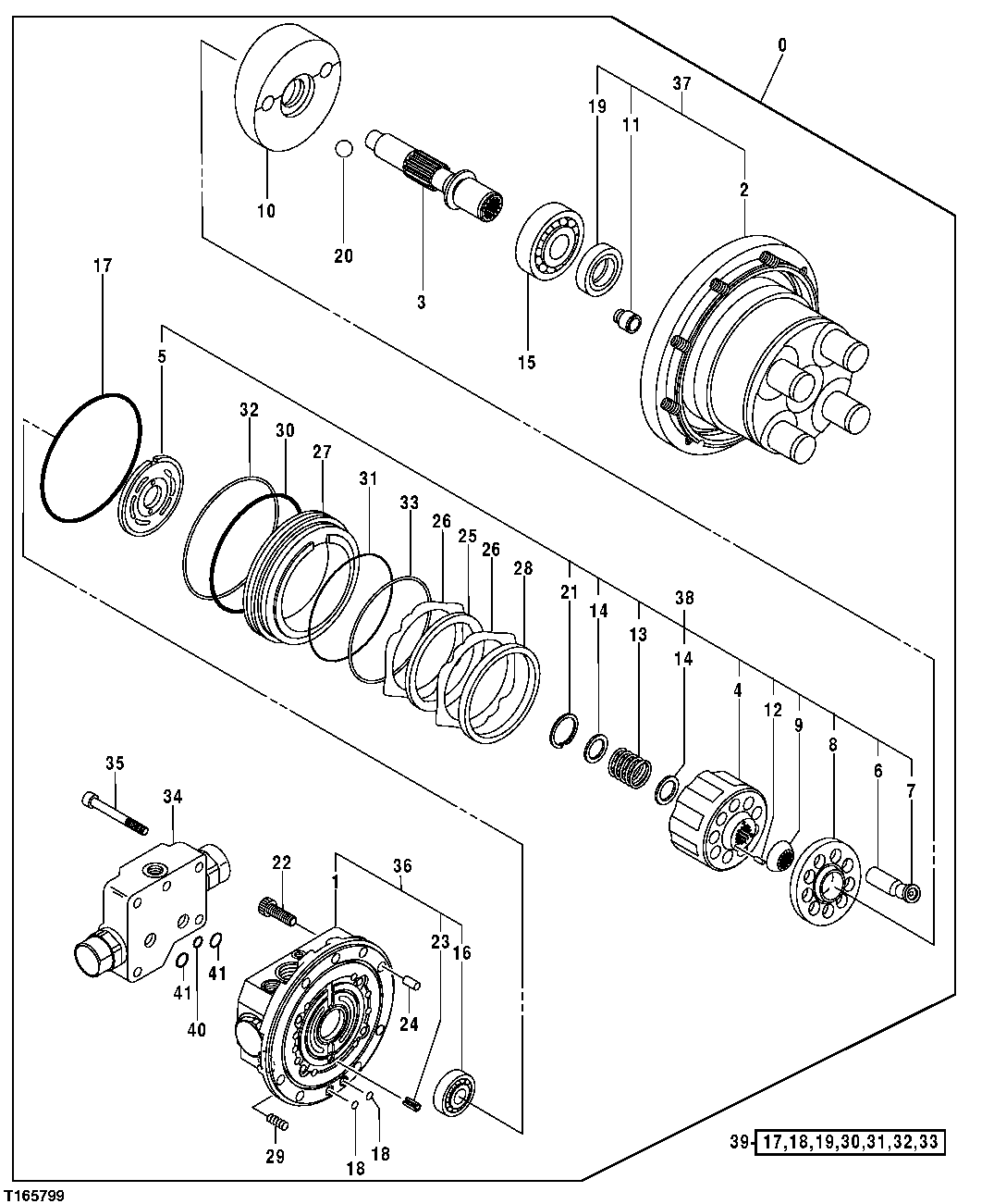
0

4605108

Hydraulic Motor

1шт.

1

Housing

(ORDER 0730708)

1шт.

2

Housing

1шт.

3

0658401

Shaft

1шт.

4

Cylinder Block

1шт.

5

Plate

1шт.

6

Piston

9шт.

7

Shoe

9шт.

8

Holder

1шт.

9

Holder

1шт.

10

0730701

Plate

1шт.

11

Piston

1шт.

12

Pin

3шт.

13

Spring

1шт.

14

Retainer

2шт.

15

0684605

Ball Bearing

1шт.

16

0474202

Bearing

1шт.

17

A811125

O-Ring

1шт.

18

CH11568

Packing

(SUB FOR 4506407)

2шт.

19

0474203

Seal

1шт.

20

0636509

Ball

2шт.

21

40M7085

Snap Ring

(SUB FOR 0426904 OR 443964)

1шт.

22

0474204

Cap Screw

7шт.

23

4051267

Spring Pin

(SUB FOR 0426906)

1шт.

24

0473906

Dowel Pin

1шт.

25

0730702

Plate

1шт.

26

0730703

Plate

2шт.

27

0730704

Piston

1шт.

28

0730705

Spacer

1шт.

29

0730706

Spring

8шт.

30

AT264320

O-Ring

(SUB FOR A811110, T110448)

1шт.

31

AT264319

O-Ring

(SUB FOR T110447)(SUB FOR A811100)

1шт.

32

0730707

Back-Up Ring

1шт.

33

0478601

Back-Up Ring

1шт.

34

4422698

Housing

(CROSSOVER RELIEF VALVE) ( COMPONENTS ON ANOTHER PAGE)

1шт.

35

0429725

Bolt

4шт.

36

0730708

Bed Liner

(COMPONENTS ON ANOTHER PA GE) (BRAKE VALVE HOUSING)

1шт.

37

0730709

Bed Liner

1шт.

38

0730710

Cylinder Kit

1шт.

39

0730711

Seal Kit

(KIT ALSO CONTAINS PARTS ON FOLLOWING PAGE)

1шт.

40

CH11568

Packing

1шт.

41

4506412

Packing

2шт.

Выбрано товаров: 42