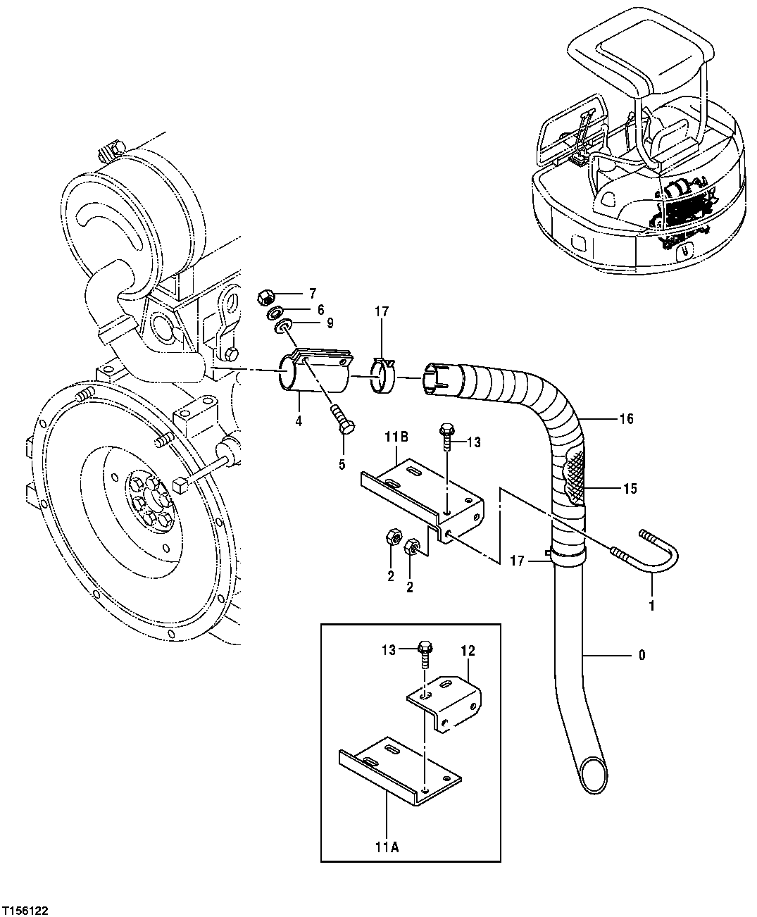
Запчасти John Deere 0ZTS 55 - MUFFLER ATTACHMENTS 0530 External Exhaust Systems

Схема запчастей John Deere 0ZTS - 55 - MUFFLER ATTACHMENTS 0530 External Exhaust Systems
FIT
1:1
100%

Артикул

Название

Примечание

Количество

0

3083945

Exhaust Pipe

SUB FOR AT251151

1шт.

1

4279326

U-Bolt

SUB FOR AT255928

1шт.

2

14M7273

Nut

M8

4шт.

4

4278931

Clamp

SUB FOR AT251191

1шт.

5

19M7550

Cap Screw

M10 X 35

2шт.

6

12M7066

Lock Washer

10 mm

2шт.

7

14M7274

Nut

M10

2шт.

9

24M7028

Washer

10.500 X 20 X 2 mm SUB FOR 12M7096

2шт.

11A

8070331

Bracket

SUB FOR AT251574

1шт.

11B

3090763

Bracket

1шт.

12

3080614

Bracket

SUB FOR AT251144

1шт.

13

19M7407

Cap Screw

M8 X 25

2шт.

24M7055

Washer

8.400 X 16 X 1.600 mm

2шт.

Washer

12M7065 NLA

2шт.

15

4399512

Hose Guard

SUB FOR AT255943

1шт.

16

4414610

Tape

SUB FOR AT255944 OR 4399513

1шт.

17

4399511

Clamp

SUB FOR AT251413

2шт.

Выбрано товаров: 17