Запчасти John Deere 50LC 121 - Heavy Duty Bucket (Also Order Bucket Tooth Assemblies) 3302 Bucket With Teeth

Схема запчастей John Deere 50LC - 121 - Heavy Duty Bucket (Also Order Bucket Tooth Assemblies) 3302 Bucket With Teeth
FIT
1:1
100%

Артикул

Название

Примечание

Количество

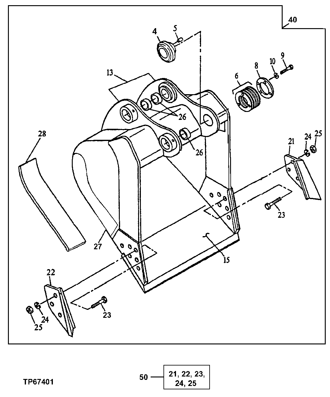
4

AT189904

Bushing

1шт.

5

C31732

Dowel Pin

(F)

2шт.

6

AT189905

Shim

14шт.

8

AT189906

Retainer

1шт.

9

19M7968

Cap Screw

M20 X 130

4шт.

10

12M7070

Lock Washer

20 mm

4шт.

13

05673

Pivot

(F) 36in.1.97yd³ , Bucket Buck et Ear Blank Assembly (USE WITH)

1шт.

05868

Pivot

(F) 36in. 2.36yd³, Bucket (USE WITH) Bucket Ear Blank Assembly

1шт.

05674

Pivot

(F) 42in. 2.43yd³., Bucket Bucket Ear Blank Assembly (USE WITH BUCKET)

1шт.

05869

Pivot

(F) 42in. 2.90yd³ , Bucket Ear Blank Assembly (USE WITH BUCKET)

1шт.

05675

Pivot

(F) 48in. 2.90yd³ , Bucket Bucket E ar Blank Assembly (USE WITH BUCKET)

1шт.

05870

Pivot

(F) 48in. 3.47yd³ , Bucket Bucket Ear Blank Assembly (USE ON BUCKET)

1шт.

05676

Pivot

(F) 54in. 3.38yd³ , Bucket Ear Blank Assembly (USE ON BUCKET)

1шт.

05871

Pivot

(F) 54in. 4.04yd³ , Bucket Ear Blank Assembly (USE ON BUCKET)

1шт.

05677

Pivot

(F) 60in. 3.86yd³ , Bucket Ear Blank Assembly (USE ON BUCKET)

1шт.

05872

Pivot

(F) 60in. 4.63yd³. BUCKET , Bucket Ear Blank Assembly

1шт.

05679

Pivot

(F) 72in.4.84yd³ BUCKET , Bucket Ear Blank Assembly

1шт.

05874

Pivot

(F) 72in. 5.80yd³ , Bu cket Ear Blank Assembly

1шт.

05680

Pivot

(F) 80in. 5.49yd³ BUCKET , Bucket Ear Blank Assembly

1шт.

05875

Pivot

(F) 80in. 6.60yd³ BUCKET , Bucket Ear Blank Assembly

1шт.

15

C30651

Cutting Edge

(F) 36in. 1.97yd³ or 36in. 2 .36yd³ ., (USE WITH BUCKET)

1шт.

C30652

Cutting Edge

(F) 42in. 2.43yd³ or 42in. 2 .90yd³. , (USE WITH BUCKET)

1шт.

C30653

Cutting Edge

(F) 48in. 2.90yd³ or 48in. 3.47yd³ , (USE WITH BUCKET)

1шт.

C30654

Cutting Edge

(F) 54in. 3.38yd³. or 54in. 4.04yd³ , (USE WITH BUCKET)

1шт.

C30655

Cutting Edge

(F) 60in. 3.86yd³, or 60in. 4.63yd³ , (USE WITH BUCKET)

1шт.

C30657

Cutting Edge

(F) 72in. 4.84yd³ or 72in. 5.80yd³ , (USE WITH BUCKET)

1шт.

C30658

Cutting Edge

(F) 80in. 5.49yd³ or 80in. 6.60yd³ , (USE WITH BUCKET)

1шт.

21

Cutting Edge

(SUB AT189734)

1шт.

22

Cutting Edge

(SUB AT189734)

1шт.

23

Bolt

(SUB AT189734)

ARшт.

24

Lock Washer

(SUB AT189734)

ARшт.

25

Nut

(SUB AT189734)

ARшт.

26

Bushing

3шт.

27

C317345

Plate

(F) (USE WITH 36in. 1.97yd³, 42in. 2.43yd ³, 48 in. 2.90yd³ 54in. 3.38yd³, 60in. 3.86 yd³, 72in. 4.84yd³, OR 80in 5.49yd³ BUCKET)

2шт.

C317507

Plate

(F) (USE WITH 36in. 2.36yd³, 42in. 2.90yd ³, 48in. 3.47yd³, 54in. 4.04yd³, 60in. 4.63 yd³, 72in. 5.80yd³, or 80in. 6.60yd³ BUCKET )

2шт.

Выбрано товаров: 35