Запчасти John Deere 50LC 123 - Heavy Duty Bucket (Also Order Bucket Tooth Assemblies) 3302 Bucket With Teeth

Схема запчастей John Deere 50LC - 123 - Heavy Duty Bucket (Also Order Bucket Tooth Assemblies) 3302 Bucket With Teeth
FIT
1:1
100%

Артикул

Название

Примечание

Количество

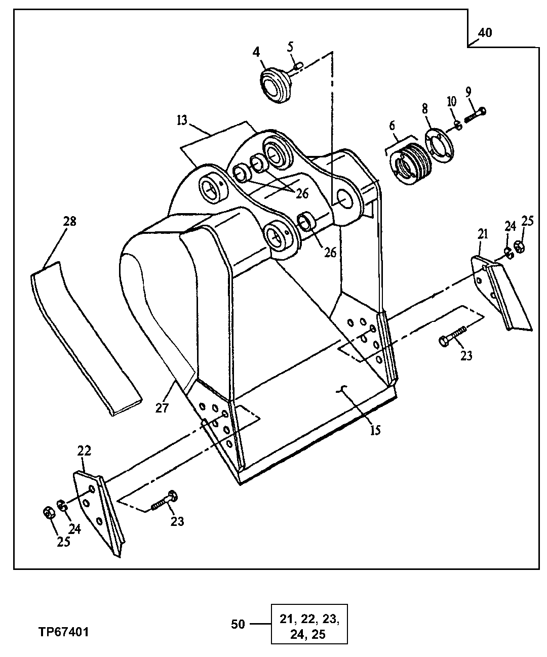
4

C31765

Bushing

(F)

1шт.

5

C31732

Dowel Pin

(F)

2шт.

6

C31768

Shim

(F)

14шт.

8

C31766

Retainer

(F)

1шт.

9

C31767

Cap Screw

(F)

4шт.

10

C17039

Washer

(F)

4шт.

13

10065

Pivot

(F) 36in. 1.70yd³ , Bu cket Ear Blank Assembly

1шт.

10066

Pivot

(F) 42in. 2.07yd³ , Bu cket Ear Blank Assembly

1шт.

10067

Pivot

(F) 48in. 2.48yd³, Bu cket Ear Blank Assembly

1шт.

10068

Pivot

(F) 54in. 2.87yd³, Bu cket Ear Blank Assembly

1шт.

10069

Pivot

(F) 60in. 3.30yd³ , Bu cket Ear Blank Assembly

1шт.

10071

Pivot

(F) 72in. 4.10yd³, Bu cket Ear Blank Assembly

1шт.

15

C30651

Cutting Edge

(F) 36in. 1.70yd³

1шт.

C30652

Cutting Edge

(F) 42in. 2.07yd³

1шт.

C30653

Cutting Edge

(F) 48in. 2.48yd³

1шт.

C30654

Cutting Edge

(F) 54in. 2.87yd³

1шт.

C30655

Cutting Edge

(F) 60in. 3.30yd³

1шт.

C30657

Cutting Edge

(F) 72in. 4.10yd³

1шт.

21

Cutting Edge

(SUB AT189734)

1шт.

22

Cutting Edge

(SUB AT189734)

1шт.

23

Bolt

(SUB AT189734) (K2)

ARшт.

24

Lock Washer

(SUB AT189734) (K2)

ARшт.

25

Nut

(SUB AT189734)

ARшт.

26

Bushing

3шт.

27

C317479

Plate

(F)

2шт.

Выбрано товаров: 25