Запчасти John Deere 50LC 124 - Heavy Duty Bucket (Also Order Bucket Tooth Assemblies) 3302 Bucket With Teeth

Схема запчастей John Deere 50LC - 124 - Heavy Duty Bucket (Also Order Bucket Tooth Assemblies) 3302 Bucket With Teeth
FIT
1:1
100%

Артикул

Название

Примечание

Количество

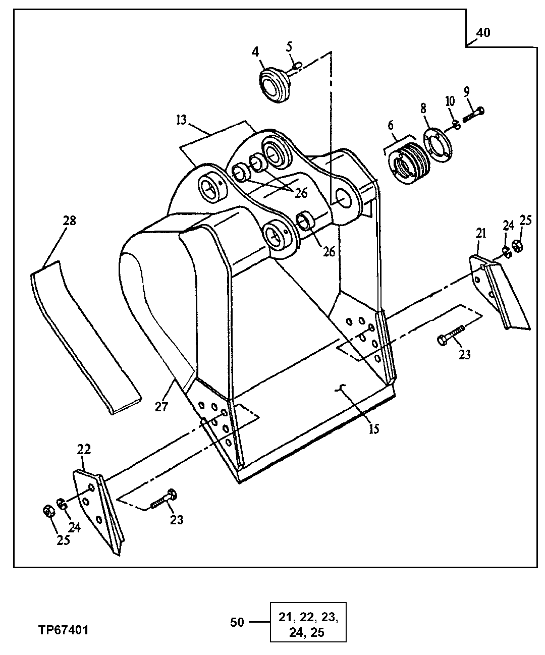
28

C616412

Bar

(F) 36in. 1.70yd³

1шт.

C616413

Bar

(F) 42in. 2.07yd³

1шт.

C616414

Bar

(F) 48in. 2.48yd³

1шт.

C616415

Bar

(F) 54in. 2.87yd³

1шт.

C616416

Bar

(F) 60in. 3.30yd³

1шт.

C616418

Bar

(F) 72in. 4.10yd³

1шт.

40

Excavator Bucket

36in. 1.70yd³ , ( AT189755 NLA) Avail able Tooth Assemblies On Separate Page

1шт.

Excavator Bucket

42in. 2.07yd³ , ( AT189756 NLA) ) Avai lable Tooth Assemblies On Separate Page

1шт.

Excavator Bucket

48in. 2.48yd³, ( AT189757 NLA) Avail able Tooth Assemblies On Separate Page

1шт.

Excavator Bucket

54in. 2.87yd³, ( AT189758 NLA) Avail able Tooth Assemblies On Separate Page

1шт.

Excavator Bucket

60in. 3.30yd³, ( AT189759 NLA) Avail able Tooth Assemblies On Separate Page

1шт.

Excavator Bucket

72in. 4.10yd³ , ( AT189760 NLA) (WHOLEGOODS) Available Tooth Assemblies On Separate Page

1шт.

50

Adapter Fitting

( AT189734 NLA)

1шт.

Выбрано товаров: 13