Запчасти John Deere 50LC 127 - EXTREME DUTY BUCKET 3302 Bucket With Teeth

Схема запчастей John Deere 50LC - 127 - EXTREME DUTY BUCKET 3302 Bucket With Teeth
FIT
1:1
100%

Артикул

Название

Примечание

Количество

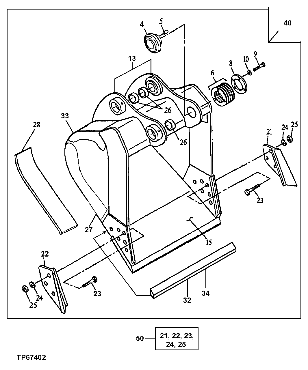
4

AT189904

Bushing

1шт.

5

C31732

Dowel Pin

(F)

2шт.

6

AT189905

Shim

14шт.

8

AT189906

Retainer

1шт.

9

19M7968

Cap Screw

M20 X 130

4шт.

10

12M7070

Lock Washer

20 mm

4шт.

13

10004

Pivot

(F) 36in. 2.36yd³, Bucket Bucket Ear Blank Assembly

1шт.

07303

Pivot

(F) 42in. 2.90yd³, Bucket Bucket Ear Blank Assembly

1шт.

07304

Pivot

(F) 48in. 3.47yd³, Bucket Bucket Ear Blank Assembly

1шт.

07305

Pivot

(F) 54in. 4.04yd³, Bucket Bucket Ear Blank Assembly

1шт.

07306

Pivot

(F) 60in. 4.63yd³, Bucket Bucket Ear Blank Assembly

1шт.

08881

Pivot

(F) 72in. 4.84yd³, Bucket Bucket Ear Blank Assembly

1шт.

15

C30651

Cutting Edge

(F) 36in. 2.36yd³, Bucket

1шт.

C30652

Cutting Edge

(F) 42in. 2.90yd³, Bucket

1шт.

C30653

Cutting Edge

(F) 48in. 3.47yd³, Bucket

1шт.

C30654

Cutting Edge

(F) 54in. 4.04yd³, Bucket

1шт.

C30655

Cutting Edge

(F) 60in. 4.63yd³, Bucket

1шт.

C30657

Cutting Edge

(F) 72in. 4.84yd³, Bucket

1шт.

21

Cutting Edge

(SUB AT189734)

1шт.

22

Cutting Edge

(SUB AT189734)

1шт.

23

Bolt

(SUB AT189734)

ARшт.

24

Lock Washer

(SUB AT189734)

ARшт.

25

Nut

(SUB AT189734)

ARшт.

26

Bushing

3шт.

Выбрано товаров: 24