Запчасти John Deere 50LC 167 - Pilot Lines 3360 Hydraulic System

Схема запчастей John Deere 50LC - 167 - Pilot Lines 3360 Hydraulic System
FIT
1:1
100%

Артикул

Название

Примечание

Количество

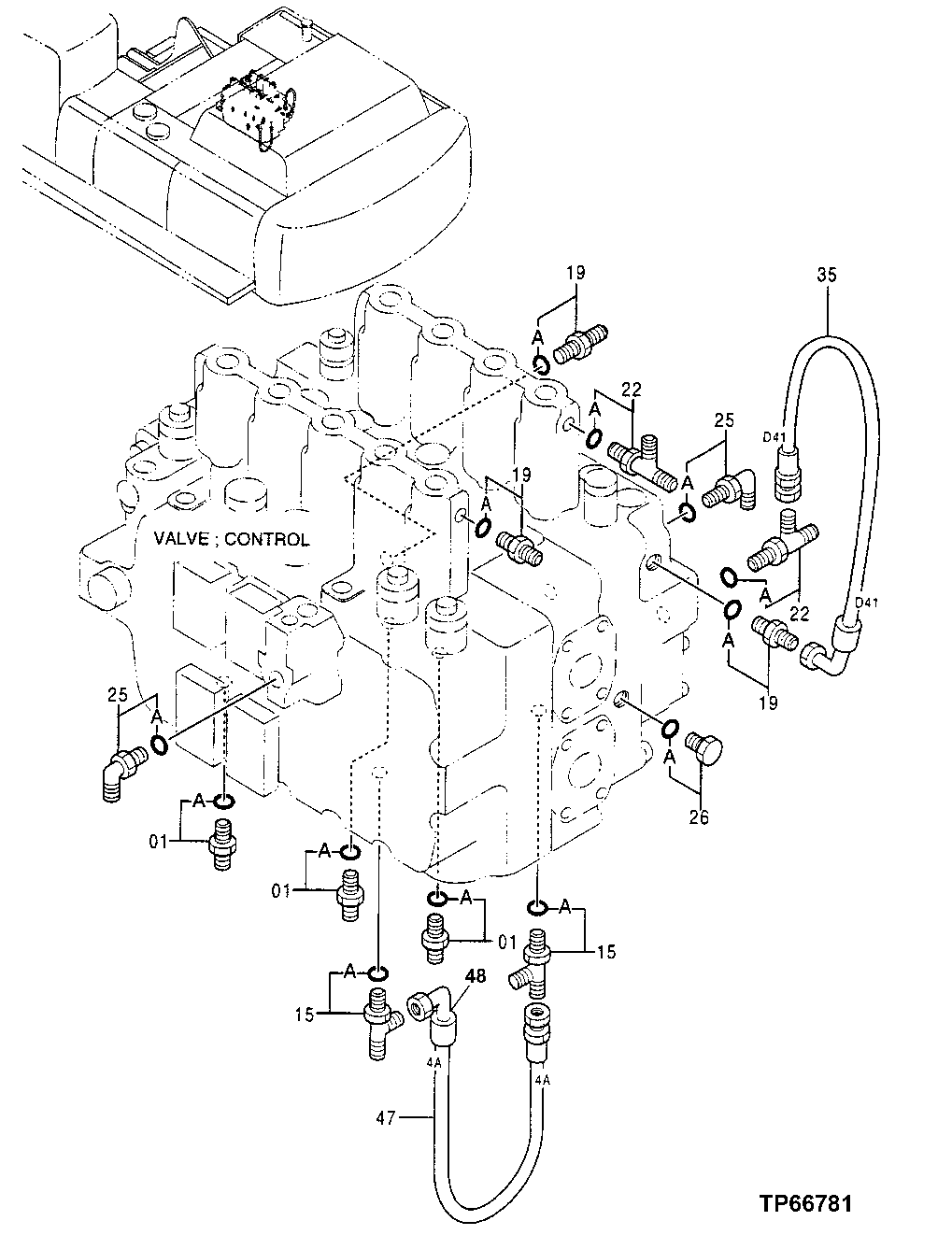
1

4200466

Adapter Fitting

SUB FOR TH108320

3шт.

1A

CH11570

O-Ring

13.800 X 2.400 mm (0.543" X 3/32")

1шт.

15

4205363

Tee Fitting

SUB FOR AT126362

2шт.

15A

CH11570

O-Ring

13.800 X 2.400 mm (0.543" X 3/32")

1шт.

19

4200465

Adapter Fitting

SUB FOR TH108328

3шт.

19A

M800650

Packing

1шт.

22

4203171

Tee Fitting

SUB FOR TH110578

2шт.

22A

M800650

Packing

1шт.

25

A852333

Elbow Fitting

SUB FOR TH101047; SUB FOR 4154671

2шт.

25A

CH11570

O-Ring

13.800 X 2.400 mm (0.543" X 3/32")

1шт.

26

4093624

Drain Plug

SUB FOR AT318013; SUB FOR TH102536

1шт.

26A

M800650

Packing

1шт.

35

4367004

Hose

SUB FOR TH4367004

1шт.

47

AT48428

Hydraulic Hose

9/16" X 707 mm (27-3/4") X 9/16"

1шт.

48

AE24616

Elbow Fitting

1шт.

Выбрано товаров: 15