Запчасти John Deere 50LC 204 - Controlled Load Lowering Device, Boom Cylinder Kit 3360 Hydraulic System

Схема запчастей John Deere 50LC - 204 - Controlled Load Lowering Device, Boom Cylinder Kit 3360 Hydraulic System
FIT
1:1
100%

Артикул

Название

Примечание

Количество

1

Kit

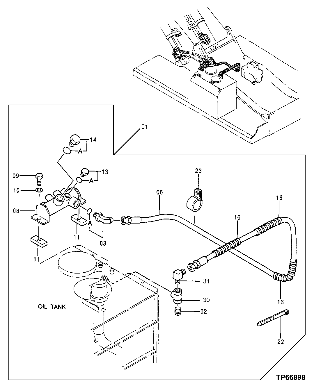
AT188669 NLA, WHOLEGOODS, BOOM CY LINDER LOAD LOWERING VALVE Contains All Items On This Page Additional Components Listed On Following Page s

1шт.

2

94-2027

Plug

SUB FOR AT202377

1шт.

3

4317647

Elbow Fitting

SUB FOR AT175144

1шт.

3A

970860

O-Ring

37.700 X 3.500 mm (1-31/64" X 0.138") SUB FOR TH104634

1шт.

6

4360630

Hydraulic Hose

SUB FOR TH4360630

1шт.

8

8042550

Manifold

SUB FOR AT175140

1шт.

9

19M7872

Cap Screw

M12 X 25

2шт.

10

12H301

Lock Washer

1/2"

2шт.

11

4335287

Strap

SUB FOR TH4335287

2шт.

13

4174541

Fitting

SUB FOR TH110477

1шт.

13A

4506418

O-Ring

17.800 X 2.400 mm (0.701 " X 3/32") SUB FOR U46489

1шт.

14

A885008

Pipe Plug

SUB FOR 4113926 AND AT126200

1шт.

14A

TH101926

O-Ring

28.700 X 3.500 mm (1.130" X 0.138")

1шт.

16

TH100996

Hose Guard

5шт.

22

H77698

Tie Band

5шт.

23

N198631

Clamp

SUB FOR TH109598 OR 4190265

1шт.

30

94-0665

Tee Fitting

SUB FOR AT175143

1шт.

31

94-1406

Elbow Fitting

SUB FOR AT175142

1шт.

Выбрано товаров: 18