Запчасти John Deere 50LC 29 - Labels and Decals 1320 Vehicle Finish & Trim

Схема запчастей John Deere 50LC - 29 - Labels and Decals 1320 Vehicle Finish & Trim
FIT
1:1
100%

Артикул

Название

Примечание

Количество

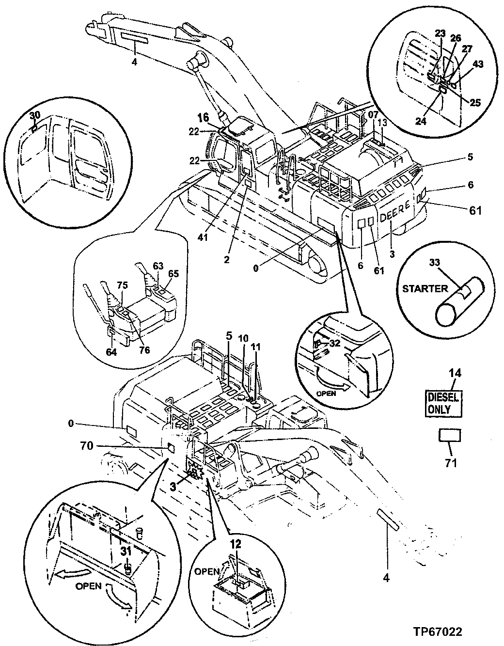
0

T183536

Label

(550 MODEL DESIGNATION)

2шт.

1

R56902

Label

1шт.

2

JD5689

Label

Leaping Deer (SUB FOR AT155733)

1шт.

3

T183539

Label

Deere On Counterweight

1шт.

4

T183547

Label

Deere

2шт.

5

H21259

Mat

ARшт.

6

T248455

Label

(SUB FOR T147008, 2035960 OR 2035960R) Warning Stay Clear

2шт.

7

T146671

Safety Sign

Radiator

1шт.

8

T183425

Label

Warning Accumulator

1шт.

10

T101942

Label

Hydraulic Oil

1шт.

11

P63448

Label

(SUB FOR AT155733) Pump Bleed Information

1шт.

12

T184167

Label

Periodic Maintenance

1шт.

13

T152657

Safety Sign

Radiator Cap

1шт.

14

T79632

Label

Diesel Only

1шт.

16

T184251

Label

John Deere Front Window

1шт.

22

AT215194

Angle

Door Stopper

2шт.

23

T184231

Label

English Start / Stop Operation

1шт.

24

T159887

Safety Sign

English Caution

1шт.

25

T146668

Safety Sign

Warning Avoid Crushing

1шт.

26

T146667

Safety Sign

Danger (ELECTROCUTION)

1шт.

27

T190393

Label

(SUB FOR T157809) Important B reak Window For Secondary Exit

1шт.

30

T146664

Safety Sign

Caution Window Lock (INSIDE CAB)

1шт.

32

T149983

Label

Important Oil Level Insi de Right Pump Compartment

1шт.

33

T146102

Label

(SUB FOR T146195) Bypass Start

1шт.

41

T184220

Label

Lift Chart

1шт.

43

4266386

Label

Side Frame Work Position (SUB FOR T116735)

1шт.

61

T161266

Reflector

Red Reflector Tape

2шт.

63

T159842

Label

Right Control Lever SAE Pattern White Background

1шт.

T159843

Label

Right Control Lever John Dee re Pattern Yellow Background

1шт.

64

4299059

Label

(SUB FOR T138886) Hydraulic Lockout

1шт.

65

4264805

Label

(SUB FOR AT155730) Ignition Key Switch

1шт.

70

JD5691

Label

Leaping Deer

1шт.

71

T152593

Label

Counterweight (REMOVAL INFORMATION)

1шт.

75

T159841

Label

Left Control Lever SAE Pattern White Background

1шт.

T159844

Label

Left Control Lever John Dee re Pattern Yellow Background

1шт.

76

4288971

Label

(SUB FOR AT155729) (ET HER AID) MOTION CANCEL)

1шт.

Выбрано товаров: 36