Запчасти John Deere 50LC 39 - Electrical Components 1674 Wiring Harness And Switches

Схема запчастей John Deere 50LC - 39 - Electrical Components 1674 Wiring Harness And Switches
FIT
1:1
100%

Артикул

Название

Примечание

Количество

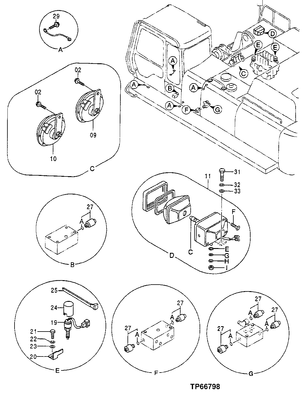
2

19M7163

Cap Screw

M8 X 25

2шт.

Washer

12M7065 NLA

2шт.

24M7055

Washer

8.400 X 16 X 1.600 mm

2шт.

9

AT64237

Horn

1шт.

10

AT64237

Horn

1шт.

11

4326800

Lamp

1шт.

11C

AT135758

Bulb

1шт.

11E

4307026

Washer

SUB FOR T144361

1шт.

11F

37H19

Screw

SUB FOR T144362 OR 4307027

1шт.

11G

24M7085

Washer

15 X 28 X 2.500 mm

1шт.

11H

12H317

Lock Washer

9/16"

1шт.

11I

14M7345

Nut

M14 SUB FOR J952014; SUB FOR TH103791

1шт.

19

4339559

Sensor

SUB FOR AT154530; DIFFERENTIAL PRESSURE

2шт.

20

4252767

Bracket

SUB FOR AT154206

2шт.

21

19M8425

Cap Screw

M6 X 16

2шт.

22

12M7006

Lock Washer

6 mm

2шт.

23

24M7054

Washer

6.400 X 12 X 1.600 mm

2шт.

24

4277223

Cap

SUB FOR AT154954

2шт.

25

H77698

Tie Band

2шт.

27

4254563

Pressure Switch

SUB FOR AT154212 Arm Out Boom Do wn Bucket Swing Arm In Boom Raise

6шт.

27A

CH19111

O-Ring

7.645 X 1.778 mm (0.301" X 0.070")

1шт.

29

19M7938

Cap Screw

M10 X 20

4шт.

12M7066

Lock Washer

10 mm

4шт.

31

19M7923

Cap Screw

M6 X 12

1шт.

32

12M7006

Lock Washer

6 mm

1шт.

33

24M7054

Washer

6.400 X 12 X 1.600 mm

1шт.

Выбрано товаров: 26