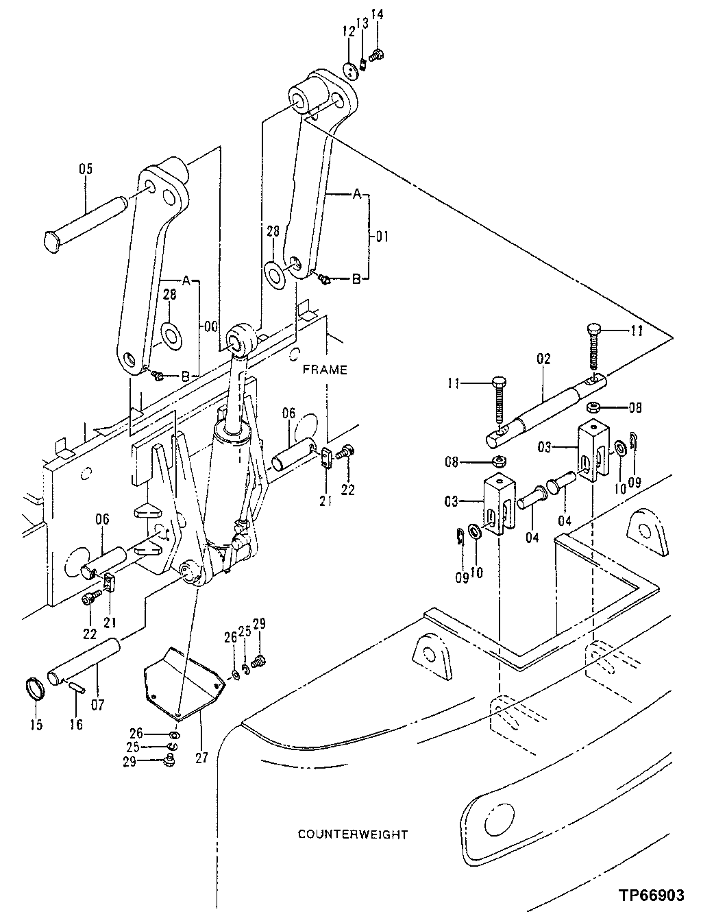
Запчасти John Deere 50LC 54 - Counterweight Removal Device 1740 Frame Installation

Схема запчастей John Deere 50LC - 54 - Counterweight Removal Device 1740 Frame Installation
FIT
1:1
100%

Артикул

Название

Примечание

Количество

0

9134171

Link

(SUB FOR AT170120)

1шт.

0A

Link

( AT170121 OR 8059541 NLA)

1шт.

0B

TH100074

Lubrication Fitting

1шт.

1

9134172

Link

(SUB FOR AT170122)

1шт.

1A

Link

( AT170123 OR 8059544 NLA)

1шт.

1B

TH100074

Lubrication Fitting

1шт.

2

4337811

Pin

(SUB FOR AT170124)

1шт.

3

4337792

Fork

(SUB FOR AT170125)

2шт.

4

4337833

Pin

(SUB FOR AT170126)

2шт.

5

4337830

Pin

(SUB FOR AT170127)

1шт.

6

4337837

Pin

(SUB FOR AT170128)

2шт.

7

4337843

Pin

(SUB FOR AT170129)

1шт.

8

J953030

Nut

(SUB FOR AT170130)

2шт.

9

414322

Spring Locking Pin

(SUB FOR AT170131)

2шт.

10

A590142

Washer

(SUB FOR AT170132)

2шт.

11

4235221

Cap Screw

(SUB FOR AT170133)

2шт.

12

AD4112

Retainer

(SUB FOR AT170134, 492067 OR Z492067)

1шт.

13

442687

Strap

(SUB FOR TH103546)

1шт.

14

19M8017

Cap Screw

M12 X 20

2шт.

15

4065688

Retainer

(SUB FOR TH100624)

1шт.

16

4186695

Pin

21 X 81 mm (0.827" X 3. 189") (SUB FOR TH105638)

1шт.

21

4063340

Strap

(SUB FOR AT132480)

2шт.

22

M341632

Bolt

M16 X 31.500 (SUB FOR AT132460)

4шт.

25

12H317

Lock Washer

9/16"

3шт.

26

24M7085

Washer

15 X 28 X 2.500 mm

3шт.

27

4367157

Shield

(SUB FOR TH4367157)

1шт.

28

4348458

Shim

(SUB FOR AT170138)

2шт.

29

19M6332

Cap Screw

M14 X 35

3шт.

Выбрано товаров: 28