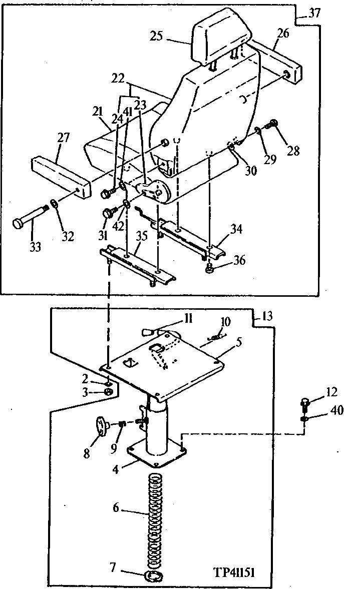
Запчасти John Deere 90D 116 - SEAT AND SEAT SUPPORT 1821 Seat And Seat Belts

Схема запчастей John Deere 90D - 116 - SEAT AND SEAT SUPPORT 1821 Seat And Seat Belts
FIT
1:1
100%

Артикул

Название

Примечание

Количество

2

12M7056

Lock Washer

8 mm SUB FOR 12M7065

4шт.

3

14M7273

Nut

M8

4шт.

4

Stand

SUB TH108740

1шт.

5

Support

SUB TH108740

1шт.

6

4206087

Spring

SUB FOR TH108741

1шт.

7

3039222

Plate

SUB FOR TH108742

1шт.

8

3039223

Knob

SUB FOR TH108743

1шт.

9

3039221

Spring

SUB FOR TH108744

1шт.

10

3030268

Extension Spring

SUB FOR TH101616

1шт.

11

3030267

Grip

SUB FOR TH101615

1шт.

12

19M7402

Cap Screw

M10 X 25

4шт.

13

4178550

Stand

SUB FOR TH108740

1шт.

21

0368101

Cushion

SUB FOR TH112014 AND AT126054

1шт.

22

0368102

Seat Back

SUB FOR TH112015 OR AT126 055 For Use With Headrest

1шт.

0368102

Seat Back

SUB FOR AT168203, 4331470 OR AT 126055 For Use Without Headrest

1шт.

0368102

Seat Back

SUB FOR AT126055 For Use With Headrest

1шт.

23

0340803

Adjuster

SUB FOR TH111648

1шт.

24

19M7402

Cap Screw

M10 X 25 SUB FOR TH104 152, ALONG WITH 12M7066

2шт.

25

0368103

Head Restraint

SUB FOR TH112016 AND AT126056

1шт.

0368103

Head Restraint

SUB FOR AT126056

1шт.

26

0368104

Arm

SUB FOR TH112017 AND AT126057

1шт.

27

0368105

Arm

SUB FOR TH112018 AND AT126058

1шт.

28

Bolt

0262709 NLA, SUB FOR TH104153

1шт.

29

24M7434

Washer

13 X 20 X 2 mm SUB FOR 0262710 AND TH104154

1шт.

30

12M7056

Lock Washer

8 mm SUB FOR TH104155 AND 12M7065

1шт.

31

19M7402

Cap Screw

M10 X 25 SUB FOR TH104 152, ALONG WITH 12M7066

2шт.

32

24M7434

Washer

13 X 20 X 2 mm SUB FOR 0262710 AND TH104154

2шт.

33

0340807

Bolt

SUB FOR TH111652

2шт.

34

0368106

Adjuster

SUB FOR TH112019 AND AT126059

1шт.

35

0304003

Adjuster

SUB FOR TH107001

1шт.

36

0340808

Screw

SUB FOR TH111653

4шт.

37

4230833

Seat

SUB FOR TH112076 Cloth With Headrest

1шт.

Seat

SUB TH112076, AT168202 N LA Cloth Without Headrest

1шт.

4230833

Seat

SUB FOR TH112076 Cloth With Headrest

1шт.

40

12M7066

Lock Washer

10 mm

4шт.

41

12M7066

Lock Washer

10 mm

2шт.

42

12M7066

Lock Washer

10 mm

2шт.

Выбрано товаров: 37