Запчасти John Deere 90D 131 - ENGINE COMPARTMENT DOOR LATCH 1910 Hood Or Engine Enclosure

Схема запчастей John Deere 90D - 131 - ENGINE COMPARTMENT DOOR LATCH 1910 Hood Or Engine Enclosure
FIT
1:1
100%

Артикул

Название

Примечание

Количество

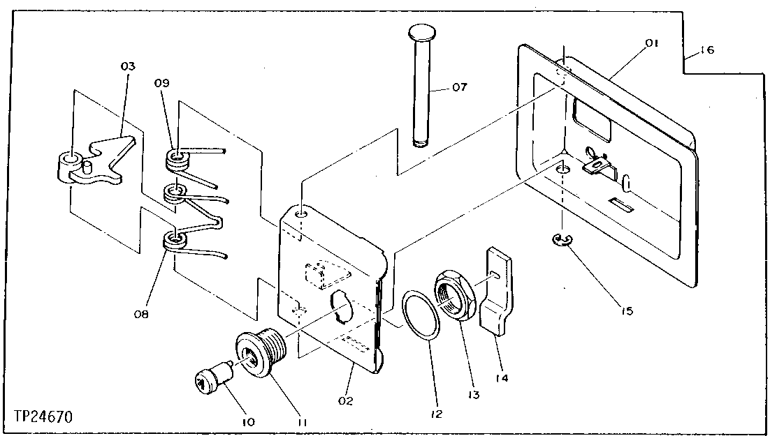
1

8024490

Cover

(SUB FOR TH102241)

1шт.

2

4355969

Latch

(SUB FOR TH102242)

1шт.

3

Lever

( TH102229 NO LONGER AVAILABLE)

1шт.

7

4355972

Pin Fastener

(SUB FOR TH102230)

1шт.

8

4355973

Spring

(SUB FOR TH102233, THIS APPL ICATION ) (SUB FOR AT173242)

1шт.

9

4355974

Torsion Spring

(SUB FOR TH102243)

1шт.

10

4361411

Lock

(SUB FOR TH110128 ) (SUB FOR AT206102)

1шт.

4158653

Key

(SUB FOR TH101605)(NOT ILLUSTRATED)

1шт.

11

4134325

Lock

(SUB FOR TH110129 ) (SUB FOR TH102236)

1шт.

12

4355979

Ring

(SUB FOR TH102237, 4134322)

1шт.

13

4355980

Nut

(SUB FOR TH102238, 4134323)

1шт.

14

4355981

Strap

(SUB FOR TH102232, 4134331)

1шт.

15

CH11490

Ring

(SUB FOR TH102231)

1шт.

16

Lock

(SUB AT214010 ) (SUB FOR TH110898 OR T H110126)( AT115741 NO LONGER AVAILABLE)

1шт.

Выбрано товаров: 0