Запчасти John Deere 90D 140 - MAIN PUMP CONTROL SECTION 2160 Vehicle Hydraulics

Схема запчастей John Deere 90D - 140 - MAIN PUMP CONTROL SECTION 2160 Vehicle Hydraulics
FIT
1:1
100%

Артикул

Название

Примечание

Количество

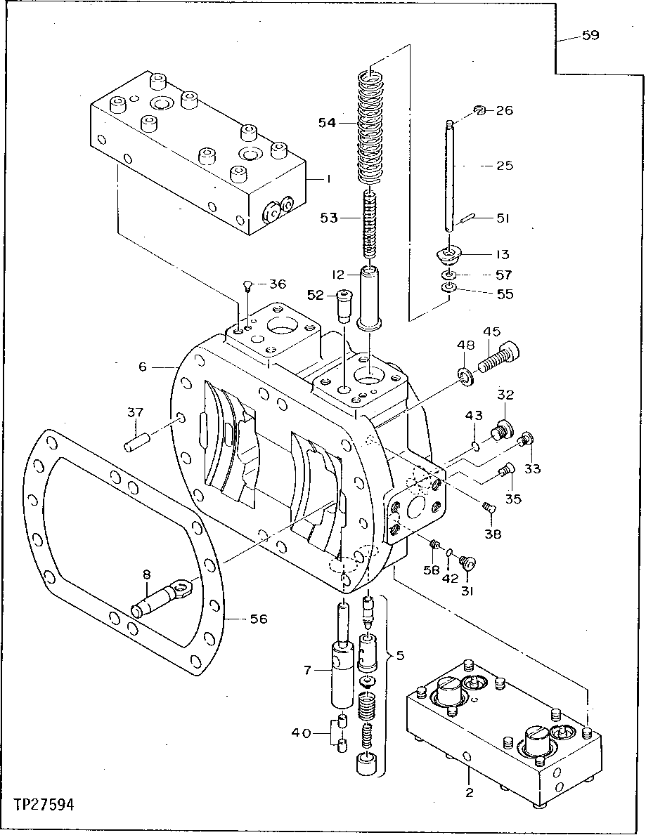
1

4217021

Regulator

(SUB FOR AT128084)

1шт.

2

4244863

Valve Cover

(SUB FOR AT128097)

1шт.

5

4217023

Hyd Actuated Control Valve

(SUB FOR AT128085)

2шт.

6

Housing

(SUB AT128098)

1шт.

7

Piston

(SUB AT128098)

2шт.

8

Rod

(SUB AT128098)

2шт.

12

0331301

Plate

(SUB FOR AT127352)

2шт.

13

0331302

Plate

(SUB FOR AT127353)

2шт.

25

0331303

Rod

(SUB FOR AT127354)

2шт.

26

0215014

Washer

(SUB FOR TH101442)

2шт.

31

0215015

Fitting Plug

(SUB FOR TH101443)

2шт.

4255302

Plug

(SUB FOR AT130609)

2шт.

32

0215221

Pipe Plug

(SUB FOR TH101486)

2шт.

33

AT119550

Fitting Plug

(SUB FOR TH101420)

2шт.

35

Plug

(SUB AT128098)

1шт.

36

Plug

(SUB AT128098)

1шт.

37

0215018

Pin

(SUB FOR TH101446)

2шт.

38

Plug

(SUB AT128098)

1шт.

40

Screw

(SUB AT128098)

4шт.

42

4506408

O-Ring

(SUB FOR AT130769 ) (SUB FOR TH101490)

2шт.

43

M800650

Packing

2шт.

45

19M8041

Screw

M12 X 35 (SUB FOR AT127279)

12шт.

48

12M7058

Lock Washer

12 mm (SUB FOR 12M6138)

12шт.

51

34M7095

Spring Pin

4 X 14 mm (SUB FOR AT127280)

2шт.

52

0370702

Retainer

(SUB FOR AT128074)

2шт.

53

0331307

Spring

(SUB FOR AT127358)

2шт.

54

0370701

Spring

(SUB FOR AT128073)

2шт.

55

0287103

Washer

(SUB FOR AT128012)

4шт.

56

4621835

Packing

(SUB FOR AT127355)

1шт.

57

0331305

Washer

(SUB FOR AT127356)

2шт.

58

0311704

Orifice

(SUB FOR TH109014)

2шт.

59

4244864

Regulator

(SUB FOR AT128098)

1шт.

Выбрано товаров: 32