Запчасти John Deere 90D 150 - BUCKET (.55 CUBIC METER) 3302 Bucket With Teeth

Схема запчастей John Deere 90D - 150 - BUCKET (.55 CUBIC METER) 3302 Bucket With Teeth
FIT
1:1
100%

Артикул

Название

Примечание

Количество

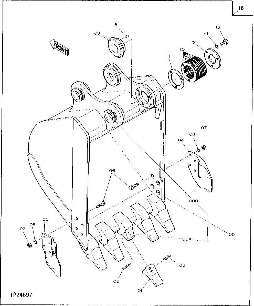
0

Excavator Bucket

1шт.

0A

4606717

Bucket Tooth Adapter

(SUB FOR TH108948 OR 4188013)

5шт.

0B

TH104509

Bushing

2шт.

1

T30S

Tooth

(SUB FOR TH100339)

5шт.

2

T2530PN

Pin Fastener

(SUB FOR TH100340)

5шт.

3

T2530LK

Lock

(SUB FOR TH108949 OR TH100341)

5шт.

4

4646805

Cutterbar

(SUB FOR TH100342 OR 2015428)

1шт.

5

4646806

Cutter Tooth

(SUB FOR TH100343 OR 2015429)

1шт.

6

19M7597

Cap Screw

M20 X 50

8шт.

7

14M7277

Nut

M20

8шт.

8

12M7070

Lock Washer

20 mm

8шт.

9

4124030

Spacer

(K) (SUB FOR TH104511)

1шт.

10

TH104512

Washer

(K)

9шт.

11

TH104513

Shim

(K)

1шт.

12

TH104514

Spacer

(K)

1шт.

13

19M7409

Cap Screw

(K) M16 X 50 (SUB FOR TH101805)

3шт.

14

12H294

Lock Washer

(K) 5/8"

3шт.

15

4179110

Pin

(K) (SUB FOR TH103520)

1шт.

16

Excavator Bucket

( AT126035 NO LONGER AVAILABLE)

1шт.

Выбрано товаров: 19