Запчасти John Deere 90D 153 - GENERAL PURPOSE HIGH CAPACITY BUCKET (ORDER TEETH SEPARATELY)(CONTINUED) 3302 Bucket With Teeth

Схема запчастей John Deere 90D - 153 - GENERAL PURPOSE HIGH CAPACITY BUCKET (ORDER TEETH SEPARATELY)(CONTINUED) 3302 Bucket With Teeth
FIT
1:1
100%

Артикул

Название

Примечание

Количество

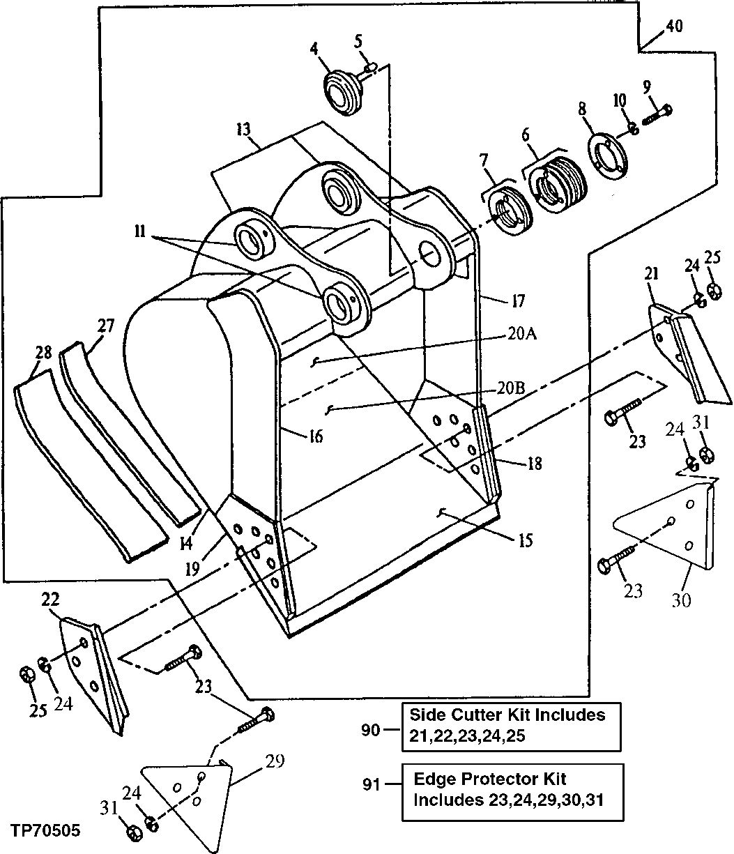
21

Cutting Edge

(SUB AT131080)

1шт.

22

Cutting Edge

(SUB AT131080)

1шт.

23

09H1770

Bolt

7/8" X 2-1/2" (K2)

6шт.

24

12H245

Lock Washer

7/8"

6шт.

25

14H1077

Nut

7/8"

6шт.

27

300156

Bar

(A) (INNER WEAR)

1шт.

28

306452

Bar

(A) (OUTER WEAR)

2шт.

29

Shroud

(WEAR SHROUD) (SUB AT167874)

1шт.

30

Shroud

(WEAR SHROUD) (SUB AT167874)

1шт.

31

14H1044

Nut

7/8" (K2)

6шт.

40

Excavator Bucket

(SUB FOR AT131023, AT131143 ) (SUB AT332675)WHOLEGOODS (24 INCH - .59 C UBIC YARD) (AVAILABLE TOOTH ASSEMBLI ES ON SEPARATE PAGE) ( AT163586 NLA)

1шт.

Excavator Bucket

(SUB FOR AT131024, AT131144 ) (SUB AT332676)WHOLEGOODS (30 INCH - .77 C UBIC YARD) (AVAILABLE TOOTH ASSEMBLI ES ON SEPARATE PAGE) ( AT163585 NLA)

1шт.

Excavator Bucket

(SUB FOR AT131025, AT131145 ) (SUB AT332677)WHOLEGOODS (36 INCH - .95 C UBIC YARD) (AVAILABLE TOOTH ASSEMBLI ES ON SEPARATE PAGE) ( AT163587 NLA)

1шт.

Excavator Bucket

(SUB FOR AT131026 OR AT131146 ) (SUB AT332678)WHOLEGOODS (42 INCH - 1.12 CUBIC YARD) (AVAILABLE TOOTH ASSEMBLI ES ON SEPARATE PAGE) ( AT163588 NLA)

1шт.

Excavator Bucket

WHOLEGOODS ( AT199353 NLA) (48 I NCH - 1.3 CUBIC YARD) (AVAILABLE T OOTH ASSEMBLIES ON SEPARATE PAGE)

1шт.

90

Kit

( AT131080 NLA) (SIDE CUTTER KIT) WHOLEGO ODS (WOODS-CENTRAL FABRICATORS NO. C20338)

1шт.

91

Kit

( AT167874 NLA) (EDGE PROTECTOR KIT) WHOLE GOODS (WOODS-CENTRAL FABRICATORS NO. C28357)

1шт.

Выбрано товаров: 17