Запчасти John Deere 90D 157 - Heavy Duty Bucket 3302 Bucket With Teeth

Схема запчастей John Deere 90D - 157 - Heavy Duty Bucket 3302 Bucket With Teeth
FIT
1:1
100%

Артикул

Название

Примечание

Количество

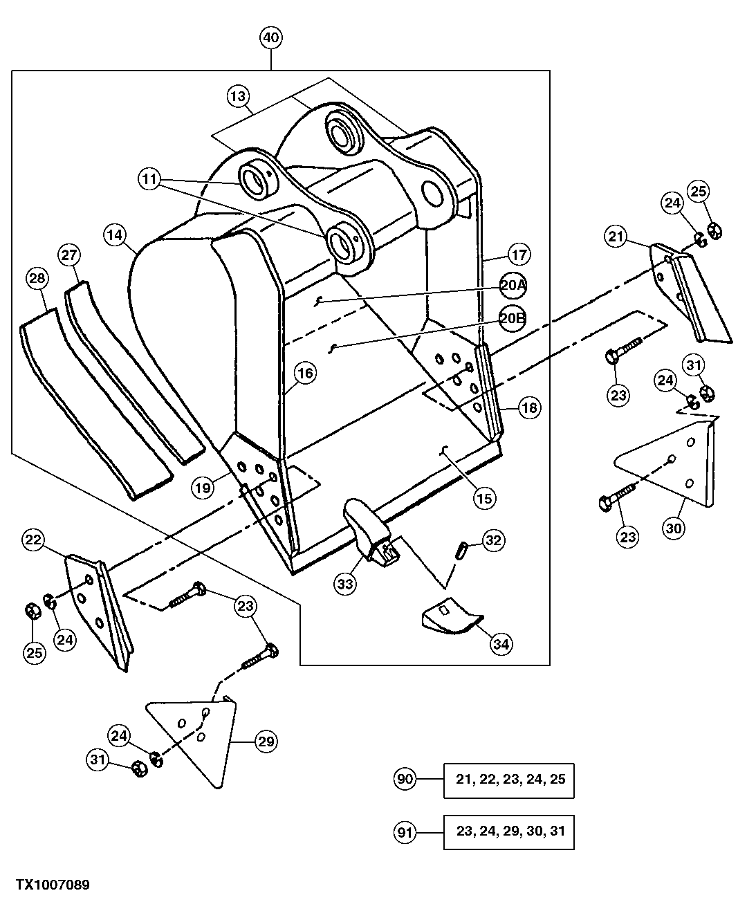
11

TH104509

Bushing

2шт.

13

C607429

Pivot

(A) (BUCKET EAR BLANK ASSEMBLY)

1шт.

14

300167

Plate

(A) (RH / LH)

2шт.

15

AT131082

Dura-Max Cutting Edge

(CUT TO LENGTH)

1шт.

16

300159

Vertical Cutter

(A) (UPPER RH)

1шт.

17

300160

Vertical Cutter

(A) (UPPER LH)

1шт.

18

300158

Vertical Cutter

(A) (LH)

1шт.

19

300157

Vertical Cutter

(A) (RH)

1шт.

20A

600113

Moldboard

(A) (UPPER) (24 INCH)

1шт.

600114

Moldboard

(A) (UPPER) (30 INCH)

1шт.

600115

Moldboard

(A) (UPPER) (36 INCH)

1шт.

20B

600118

Moldboard

(A) (UPPER) (24 INCH)

1шт.

600119

Moldboard

(A) (UPPER) (30 INCH)

1шт.

600120

Moldboard

(A) (UPPER) (36 INCH)

1шт.

21

Cutting Edge

(SUB AT131080)

1шт.

22

Cutting Edge

(SUB AT131080)

1шт.

23

09H1770

Bolt

7/8" X 2-1/2"

6шт.

24

12H245

Lock Washer

7/8"

6шт.

25

14H1077

Nut

7/8"

6шт.

27

300156

Bar

(A) (INNER) (WEAR)

1шт.

28

306452

Bar

(A) (OUTER) (WEAR)

2шт.

29

Shroud

(SUB AT167874)(WEAR)

1шт.

30

Shroud

(SUB AT167874)(WEAR)

1шт.

31

14H1044

Nut

7/8"

6шт.

32

TK290

Pin

ARшт.

33

T158X290

Bucket Tooth Adapter

ARшт.

34

TF290

Tooth

ARшт.

40

Excavator Bucket

(24 INCH/0.59 CUBIC YARD) (4 TEETH) ( AT332679 NLA) (SUB FOR AT131027, AT131147 OR AT163589 ) (SUB AT339088 )

1шт.

Excavator Bucket

(30 INCH/0.77 CUBIC YARD) (4 TEETH) ( AT332680 NLA) (SUB FOR AT131028, AT131148 OR AT163590 ) (SUB AT339090 )

1шт.

Excavator Bucket

(36 INCH/0.95 CUBIC YARD) (5 TEETH) ( AT332681 NLA) (SUB FOR AT131029, AT131149 OR AT163591 ) (SUB AT339092 )

1шт.

Excavator Bucket

(42 INCH/1.12 CUBIC YARD) (6 TEETH) ( AT332682 NLA) (SUB FOR AT160741, AT160742 OR AT163592 ) (SUB AT339094 )

1шт.

90

Kit

( AT131080 NLA) (SIDE CUTTER KIT) WHOLEGO ODS (WOODS-CENTRAL FABRICATORS NO. C20338)

1шт.

91

Kit

( AT167874 NLA) (EDGE PROTECTOR KIT) WHOLE GOODS (WOODS-CENTRAL FABRICATORS NO. C28357)

1шт.

Выбрано товаров: 33