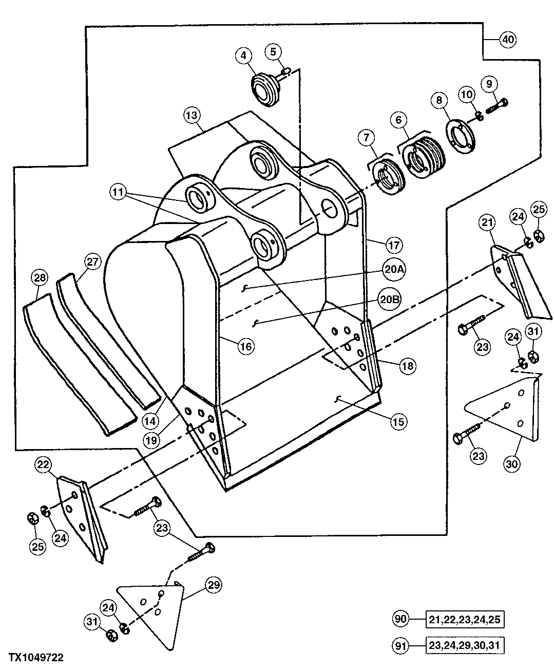
Запчасти John Deere 90D 159 - GENERAL PURPOSE BUCKET (ORDER TEETH SEPARATELY) 3302 Bucket With Teeth

Схема запчастей John Deere 90D - 159 - GENERAL PURPOSE BUCKET (ORDER TEETH SEPARATELY) 3302 Bucket With Teeth
FIT
1:1
100%

Артикул

Название

Примечание

Количество

4

Self-Aligning Bushing

( AT131083 NLA)

1шт.

5

R48685

Dowel Pin

1шт.

6

TH104512

Washer

(1 MM)

9шт.

7

TH104513

Shim

(.5 MM)

1шт.

8

TH104514

Spacer

1шт.

9

19H2706

Cap Screw

5/8" X 2"

3шт.

10

12H294

Lock Washer

5/8"

3шт.

11

TH104509

Bushing

2шт.

13

C607429

Pivot

(F) (BUCKET EAR BLANK ASSEMBLY)

1шт.

14

607048

Plate

(F) (RIGHT AND LEFT SIDE)

2шт.

15

AT131081

Dura-Max Cutting Edge

(F) (CUT TO LENGTH)

1шт.

16

304954

Vertical Cutter

(F) (UPPER RIGHT SIDE CUTTER)

1шт.

17

304955

Vertical Cutter

(F) (UPPER LEFT SIDE CUTTER)

1шт.

18

304953

Vertical Cutter

(F) (LEFT SIDE CUTTER INSERT)

1шт.

19

304952

Vertical Cutter

(F) (RIGHT SIDE CUTTER INSERT)

1шт.

20A

604676

Moldboard

(F) (UPPER MOLDBOARD - 24 INCH BUCKET)

1шт.

604678

Moldboard

(F) (UPPER MOLDBOARD - 30 INCH BUCKET)

1шт.

604679

Moldboard

(F) (UPPER MOLDBOARD - 36 INCH BUCKET)

1шт.

604680

Moldboard

(F) (UPPER MOLDBOARD - 42 INCH BUCKET)

1шт.

604681

Moldboard

(F) (UPPER MOLDBOARD - 48 INCH BUCKET)

1шт.

20B

604667

Moldboard

(F) (LOWER MOLDBOARD - 24 INCH BUCKET)

1шт.

604669

Moldboard

(F) (LOWER MOLDBOARD - 30 INCH BUCKET)

1шт.

604670

Moldboard

(F) (LOWER MOLDBOARD - 36 INCH BUCKET)

1шт.

604671

Moldboard

(F) (LOWER MOLDBOARD - 42 INCH BUCKET)

1шт.

604672

Moldboard

(F) (LOWER MOLDBOARD - 48 INCH BUCKET)

1шт.

21

Cutting Edge

(SUB AT131080)

1шт.

22

Cutting Edge

(SUB AT131080)

1шт.

23

09H1770

Bolt

7/8" X 2-1/2"

6шт.

24

12H245

Lock Washer

7/8"

6шт.

25

14H1077

Nut

7/8"

6шт.

27

304966

Bar

(INNER WEAR)

1шт.

28

606618

Bar

(OUTER WEAR)

2шт.

29

Shroud

(WEAR SHROUD)

1шт.

30

Shroud

(WEAR SHROUD)

1шт.

31

14H1044

Nut

7/8"

6шт.

40

Excavator Bucket

(A) (SUB FOR AT131018 OR AT131138)( AT1635 80NLA) WHOLEGOODS (24 INCH - .50 CUBIC YARD)

1шт.

Excavator Bucket

(A) (SUB FOR AT131019 OR AT131139)( AT16358 1 NLA) WHOLEGOODS (30 INCH - .64 CUBIC YARD)

1шт.

Excavator Bucket

(A) (SUB FOR AT131020 OR AT131140)( AT16358 2 NLA) WHOLEGOODS (36 INCH - .78 CUBIC YARD)

1шт.

Excavator Bucket

(A) (SUB FOR AT131021 OR AT131141)( AT16358 3 NLA) WHOLEGOODS (42 INCH - .92 CUBIC YARD)

1шт.

Excavator Bucket

(A) (SUB FOR AT131022 OR AT131142)( AT16358 4 NLA) WHOLEGOODS (48 INCH - 1.06 CUBIC YARD)

1шт.

90

Kit

( AT131080 NLA) (SIDE CUTTER KIT) WHOLEGO ODS (WOODS-CENTRAL FABRICATORS NO. C20338)

1шт.

91

Kit

( AT167874 NLA) (EDGE PROTECTOR KIT) WHOLE GOODS (WOODS-CENTRAL FABRICATORS NO. C28357)

1шт.

Выбрано товаров: 42