Запчасти John Deere 90D 19 - MUFFLER 0400 REMOVAL AND INSTALLATION 4045TT008, 4276TT021 4045TT008, 4276TT021

Схема запчастей John Deere 90D - 19 - MUFFLER 0400 REMOVAL AND INSTALLATION 4045TT008, 4276TT021 4045TT008, 4276TT021
FIT
1:1
100%

Артикул

Название

Примечание

Количество

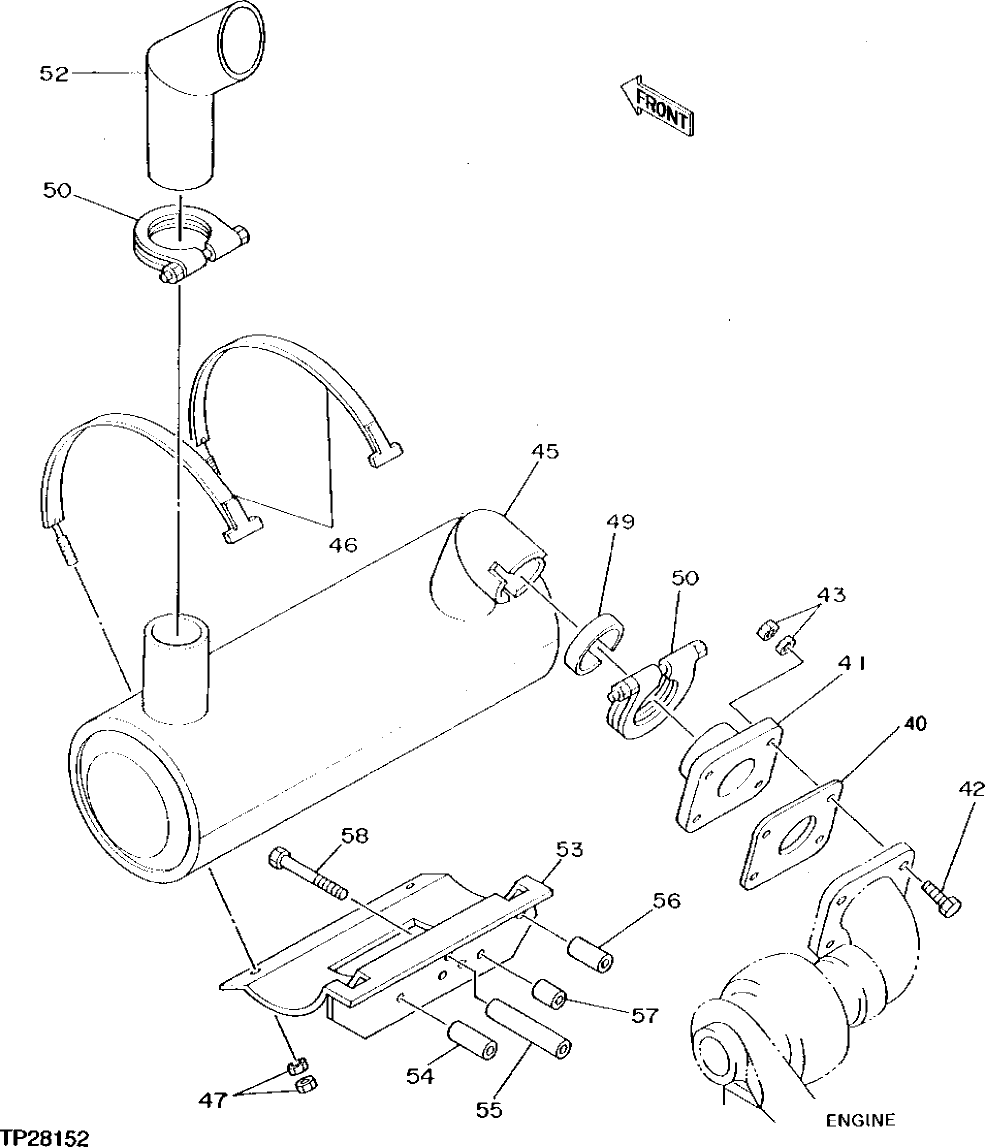
40

R98841

Gasket

1шт.

41

4692063

Exhaust Pipe

(SUB FOR TH100880 OR 9719771)

1шт.

42

19M7358

Cap Screw

M10 X 40

4шт.

43

14M7274

Nut

M10

8шт.

45

4687593

Muffler

(SUB FOR 4155623 ) (SUB FOR TH100872)

1шт.

46

9722613

Band

(SUB FOR TH103368)

2шт.

47

14M7274

Nut

M10

4шт.

49

4170227

Ring

(SUB FOR TH103415)

1шт.

50

AN122180

Clamp

2шт.

52

9732696

Exhaust Pipe

(SUB FOR AT127976)

1шт.

53

7016385

Bracket

(SUB FOR TH103652)

1шт.

54

4182748

Spacer

(SUB FOR TH103653)

1шт.

55

4182749

Spacer

(SUB FOR TH103654)

1шт.

56

4182750

Spacer

(SUB FOR TH103655)

1шт.

57

4182751

Spacer

(SUB FOR TH103656)

1шт.

58

4182657

Bolt

9.525 X 164 mm (SUB FOR TH103657)

4шт.

Выбрано товаров: 16