Запчасти John Deere 95 2 - ENGINE OIL COOLER 419 - ENGINE 4

Схема запчастей John Deere 95 - 2 - ENGINE OIL COOLER 419 - ENGINE 4
FIT
1:1
100%

Артикул

Название

Примечание

Количество

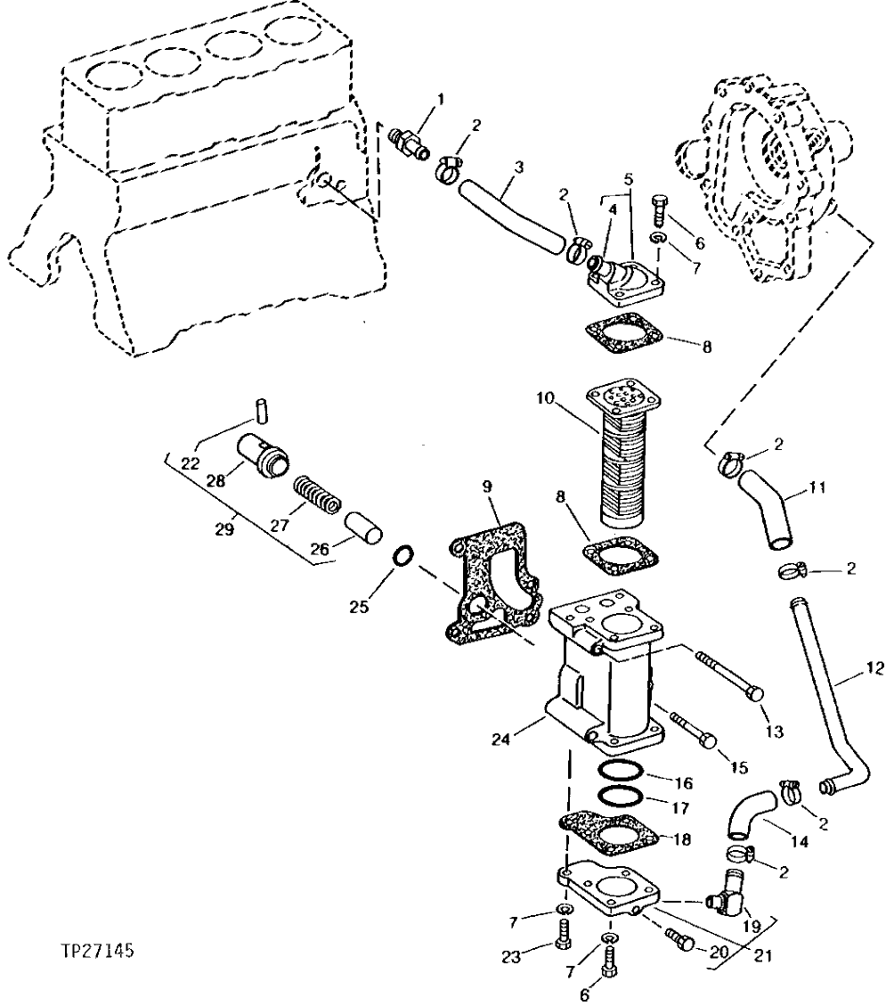
1

R39503

FITTING

1шт.

2

TY22467

CLAMP

(SUB FOR AR21839, THIS APPLICATION) (SUB FOR AT145650)

6шт.

3

R54826

HOSE

1шт.

4

R34985

LINE

1шт.

5

AR70464

COVER

(MARKED R58632)

1шт.

6

19H1849

CAP SCREW

5/16" X 1-1/4"

8шт.

19H2661

CAP SCREW

5/16" X 1-3/8"

8шт.

7

12H303

LOCK WASHER

5/16"

9шт.

8

R56020

GASKET

2шт.

9

R76243

GASKET

1шт.

10

RE31089

OIL COOLER

(SUB FOR AR65812) (ALSO ORDER (4) 19H2661 CAP SCREWS)

1шт.

11

R54826

HOSE

1шт.

12

R54830

TUBE

1шт.

13

19H1925

CAP SCREW

3/8" X 4-1/4"

2шт.

14

R54829

HOSE

1шт.

15

19H3065

CAP SCREW

3/8" X 2"

2шт.

16

R56814

O-RING

INNER

1шт.

17

R56815

O-RING

OUTER

1шт.

18

R54831

GASKET

1шт.

19

AR26732

ELBOW FITTING

1шт.

20

R42852

PIPE PLUG

1шт.

21

AR63356

COVER

(MARKED R54828)

1шт.

22

34H184

SPRING PIN

1/8" X 1-1/8"

1шт.

23

19H118

CAP SCREW

5/16" X 1"

1шт.

24

AR103165

HOUSING

(MARKED R76241)

1шт.

25

R61871

O-RING

1шт.

26

VALVE

(SUB AR63351)

1шт.

27

R46625

SPRING

1шт.

28

HOUSING

(SUB AR63351)

1шт.

29

AR63351

VALVE

1шт.

Выбрано товаров: 30