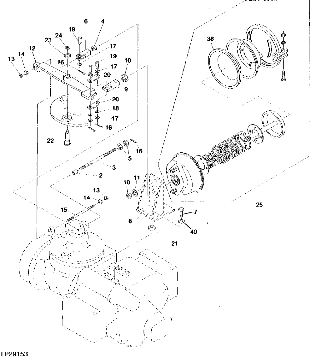
Запчасти John Deere 95 4 - PARK BRAKE CONTROL 1111 - PARK BRAKE 11

Схема запчастей John Deere 95 - 4 - PARK BRAKE CONTROL 1111 - PARK BRAKE 11
FIT
1:1
100%

Артикул

Название

Примечание

Количество

2

0268901

BUSHING

(SUB FOR TH105390)

1шт.

3

0268902

STUD

(SUB FOR TH105391)

1шт.

4

14M7444

NUT

M10, (SUB FOR TH105392)

1шт.

5

0268904

NUT

(SUB FOR TH105393)

2шт.

6

M981055

END

(SUB FOR TH105394) (SUB FOR TH105702)

1шт.

7

19M7268

CAP SCREW

M12 X 25, (SUB FOR TH105395 ALONG WITH 12M7067)

4шт.

8

0268907

BRACKET

(SUB FOR TH105396)

1шт.

9

0268908

ROD

(SUB FOR TH105397)

1шт.

10

14M7158

NUT

M16, (SUB FOR TH105398)

3шт.

11

12H294

LOCK WASHER

5/8", (SUB FOR TH105399)

2шт.

12

0268911

LEVER

(SUB FOR TH105400)

1шт.

13

14M7273

NUT

M8, (SUB FOR TH105401)

2шт.

14

0268913

NUT

(SUB FOR TH105402)

2шт.

15

0268914

ROD

(SUB FOR TH105403)

1шт.

16

11M7015

COTTER PIN

3.200 X 25 MM, (SUB FOR TH105404) (SUB FOR 11M7059)

4шт.

17

24M7028

WASHER

10.500 X 20 X 2 MM, (SUB FOR TH105405)

6шт.

18

U46508

WASHER

(SUB FOR TH105406)

2шт.

19

45M7059

PIN FASTENER

10 X 30 MM, (SUB FOR TH105407)

3шт.

20

0268919

STRAP

(SUB FOR TH105408)

2шт.

21

28H1721

WASHER

0.546" X 0.840" X 15/64", (SUB FOR TH105409)

4шт.

22

0268921

PIN FASTENER

(SUB FOR TH105410)

1шт.

23

24H1226

WASHER

1/2" X 1-1/4" X 0.083", (SUB FOR TH105411)

1шт.

24

R26871

SNAP RING

(SUB FOR TH105412)

1шт.

25

0268924

CHAMBER

(SUB FOR TH105413)

1шт.

38

0268925

DIAPHRAGM

(SUB FOR TH105414)

1шт.

40

12M7058

LOCK WASHER

12 MM, (SUB FOR 12M7067)

4шт.

Выбрано товаров: 26