Запчасти John Deere 95 4 - ELECTRICAL PARTS 1674 - ELECTRICAL SYSTEMS 16

Схема запчастей John Deere 95 - 4 - ELECTRICAL PARTS 1674 - ELECTRICAL SYSTEMS 16
FIT
1:1
100%

Артикул

Название

Примечание

Количество

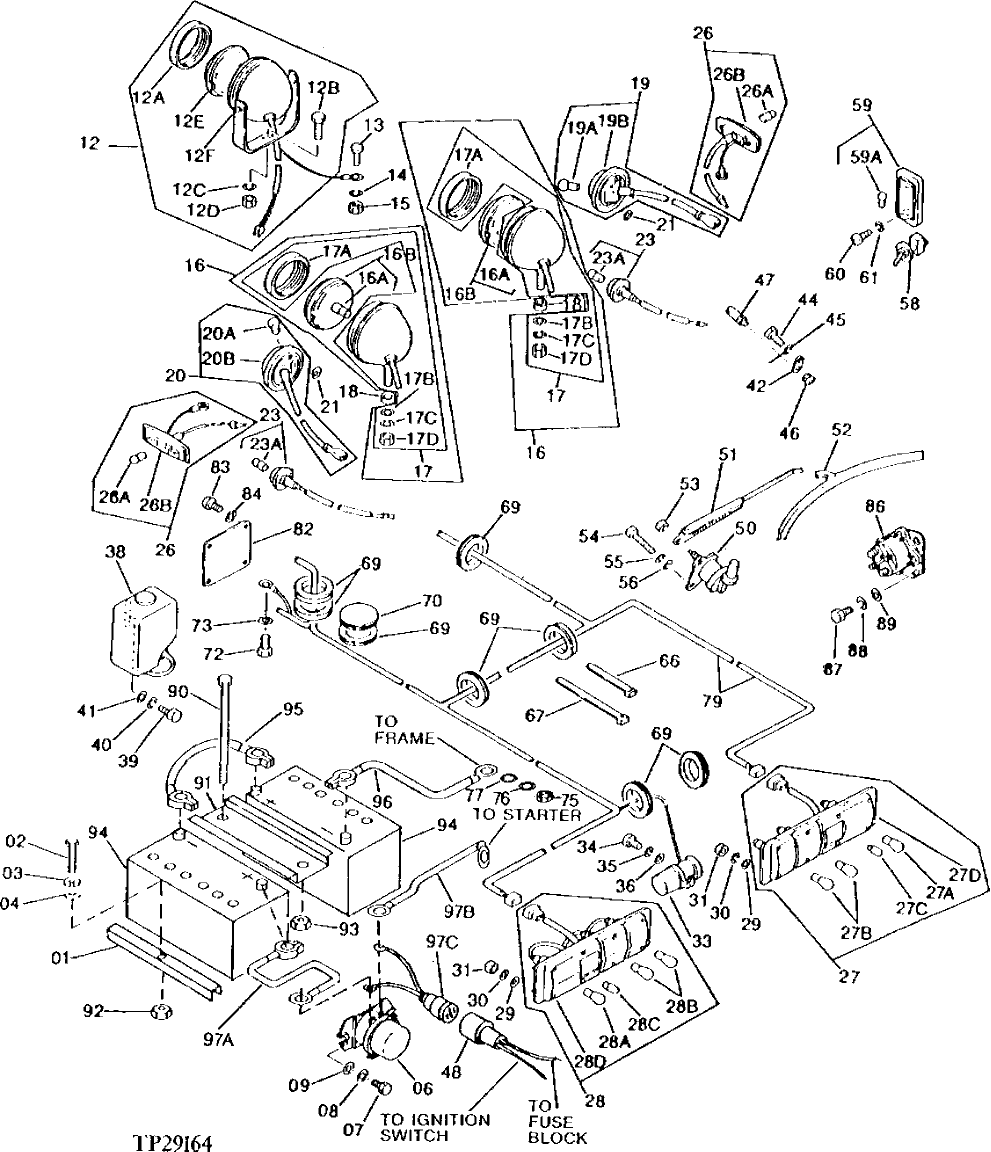
46

94-2817

GROMMET

(SUB FOR TH102171)

1шт.

47

4150044

NOZZLE

(SUB FOR TH104099) WINDSHIELD WASHER

1шт.

48

4240648

WIRING LEAD

(SUB FOR AT130831) (USE WITH TH107968 WIRING HARNESS)

1шт.

4213055

WIRING HARNESS

(SUB FOR TH110121) (USE WITH TH110130 WIRING HARNESS)

1шт.

50

4151076

WIPER MOTOR

(SUB FOR TH102156)

1шт.

51

4101832

ARM

(SUB FOR TH101574) (15 1/2 INCH - 393 MM) (SILVER) (USE IF AVAILABLE)

1шт.

4101832

ARM

(SUB FOR TH101574) (SUB FOR TH105993) (BLACK)

1шт.

52

WIPER BLADE

( TH101573 NO LONGER AVAILABLE) (SUB TY16303) (ALSO ORDER TY16323) (SILVER)

1шт.

TY16304

WIPER BLADE

(SUB FOR 4257132) (ALSO ORDER TY16323) (BLACK)

1шт.

53

4050479

NUT

(SUB FOR 14M7272) (SUB FOR TH100539)

1шт.

54

21M7278

SCREW

M5 X 10

2шт.

55

12M7064

LOCK WASHER

5 MM, (SUB FOR TH100519)

2шт.

56

24M7027

WASHER

5.300 X 10 X 1 MM, (SUB FOR TH100540)

2шт.

58

AH87806

SWITCH

(SUB FOR AH98818) DOME LIGHT

1шт.

59

973204

LAMP

(SUB FOR TH100533) DOME LIGHT

1шт.

59A

57M7122

BULB

(SUB FOR AT42033)

1шт.

60

21M7265

SCREW

M5 X 12

2шт.

61

12M7064

LOCK WASHER

5 MM, (SUB FOR TH100519)

2шт.

66

H77698

TIE BAND

(SUB FOR TH102001 OR M88199)

10шт.

67

H77698

TIE BAND

(SUB FOR T44946)

4шт.

69

4509404

GROMMET

(SUB FOR TH100553)

8шт.

70

4150707

GROMMET

(SUB FOR TH101633) (SUB FOR TH102009)

1шт.

72

19M7938

CAP SCREW

M10 X 20

1шт.

73

12M7066

LOCK WASHER

10 MM, (SUB FOR TH100417)

1шт.

75

14M7274

NUT

M10

1шт.

76

12M7066

LOCK WASHER

10 MM

1шт.

77

24M7028

WASHER

10.500 X 20 X 2 MM, (SUB FOR TH100263)

1шт.

79

4213054

WIRING HARNESS

(SUB FOR TH107968) (SUB FOR TH104101) (USE IF AVAILABLE)

1шт.

4213054

WIRING HARNESS

(SUB FOR TH110130) INCLUDES WIPER WIRING LEAD TH110121

1шт.

82

4158649

PLATE

(SUB FOR TH101577)

1шт.

83

21M7278

SCREW

M5 X 10

4шт.

84

12M7064

LOCK WASHER

5 MM, (SUB FOR TH100519)

4шт.

86

AT145341

RELAY

(SUB FOR AT85258) (ALSO ORDER AT107364) (BOSCH) START CIRCUIT

1шт.

AT107364

KIT

(NOT ILLUSTRATED)

1шт.

14M7165

LOCK NUT

M6, (STARTER RELAY TERMINALS)

2шт.

87

19H1914

CAP SCREW

1/4" X 1"

2шт.

88

24H1287

WASHER

9/32" X 5/8" X 0.065"

2шт.

89

T82793

NUT

2шт.

90

03H2333

BOLT

5/16" X 9"

2шт.

91

T68050

CHANNEL

1шт.

92

14M7274

NUT

M10

1шт.

93

14H785

NUT

5/16"

2шт.

94

TY6106

DRY CHARGED BATTERY

(USE IF AVAILABLE)

2шт.

TY21741

DRY CHARGED BATTERY

(SUB FOR TY6106)

2шт.

95

RE21742

BATTERY CABLE

(SUB FOR TH106769)

1шт.

96

AR20253

BATTERY CABLE

1шт.

97A

AT35332

BATTERY CABLE

1шт.

97B

4201061

GROUND CABLE

(SUB FOR TH107965)

1шт.

97C

4191038

ELECTRICAL CONNECTOR ASSY

(SUB FOR TH107964) FUSIBLE LINK (MATING CONNECTOR PART OF HARNESS)

1шт.

Выбрано товаров: 49