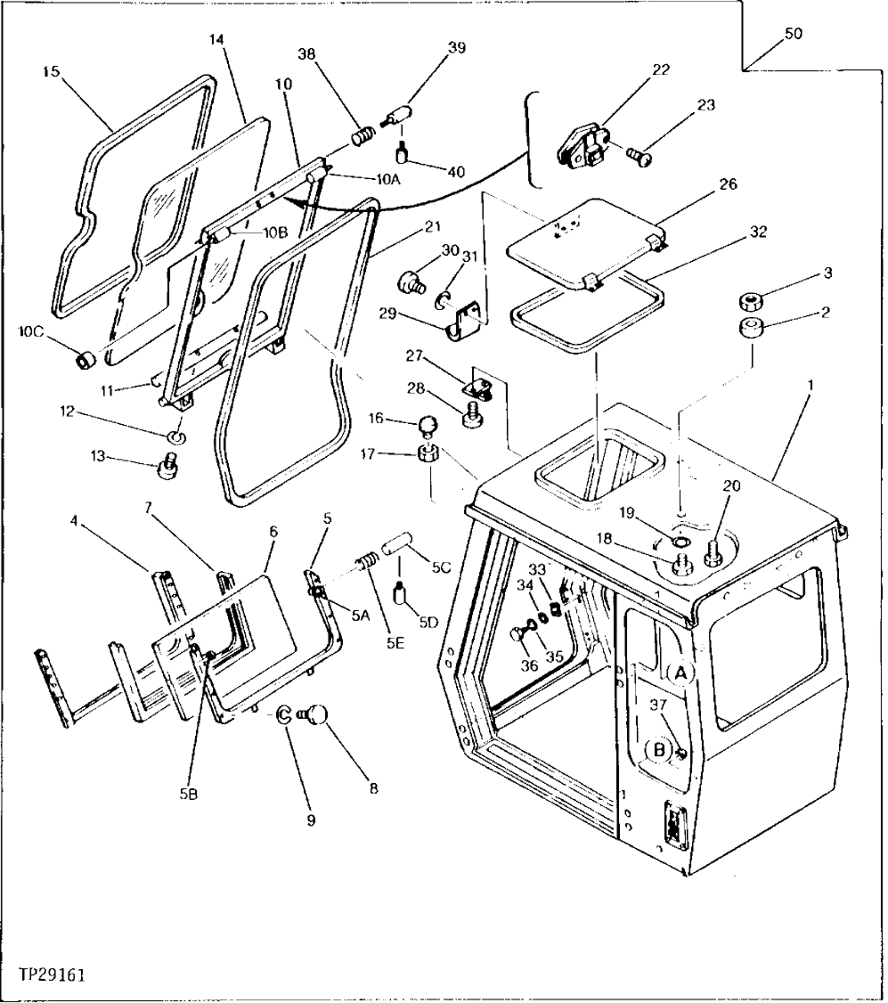
Запчасти John Deere 95 2 - CAB 1810 - OPERATORS STATION 18

Схема запчастей John Deere 95 - 2 - CAB 1810 - OPERATORS STATION 18
FIT
1:1
100%

Артикул

Название

Примечание

Количество

1

4186681

CAB

(SUB FOR TH104122)

1шт.

2

AR42005

SEAL

1шт.

3

4101518

NUT

(SUB FOR TH101189)

1шт.

4

4158442

FRAME

(SUB FOR TH101112)

1шт.

5

4188113

FRAME

(WINDOW FRAME) (SUB FOR TH104123) (SUB FOR TH105478) (INCLUDES ITEMS 05A THROUGH 05E)

1шт.

5A

4178252

LOCK

(SUB FOR TH104124)

1шт.

5B

4178251

LOCK

(SUB FOR TH104125)

1шт.

5C

4194499

PIN FASTENER

(SUB FOR TH106777)

2шт.

5D

4194500

LEVER

(SUB FOR TH106778)

2шт.

5E

4194501

SPRING

(SUB FOR TH106779)

2шт.

6

TH101114

WINDOWPANE

1шт.

7

4158445

ISOLATOR

(SUB FOR TH101115)

1шт.

8

19M7300

CAP SCREW

M6 X 10

8шт.

9

12M7006

LOCK WASHER

6 MM, (SUB FOR TH100548)

8шт.

10

4186682

FRAME

(SUB FOR TH104126) (INCLUDES ITEMS 10A THROUGH 10C)

1шт.

10A

4185485

LOCK

(SUB FOR TH104127)

1шт.

10B

4185486

LOCK

(SUB FOR TH104128)

1шт.

10C

4183703

ROLLER

(SUB FOR TH103613)

4шт.

11

4158447

ISOLATOR

(SUB FOR TH101118)

1шт.

12

24M7029

SHIM

0.500 MM, (SUB FOR TH100611)

4шт.

13

37M7095

SCREW

(SUB FOR TH101119)

4шт.

14

TH101120

WINDOWPANE

1шт.

15

4105785

ISOLATOR

(SUB FOR TH101121)

1шт.

16

4147883

STOP

(SUB FOR TH101122)

2шт.

17

M501006

NUT

(SUB FOR TH101123)

2шт.

18

4101515

SCREW

(SUB FOR TH101187)

1шт.

19

4101517

WASHER

(SUB FOR TH101188)

5шт.

20

4101516

SCREW

(SUB FOR TH101190)

4шт.

21

4128462

ISOLATOR

(SUB FOR TH101168)

1шт.

22

4084265

LOCK

(SUB FOR TH101136)

1шт.

23

21M7258

SCREW

M4 X 8, (SUB FOR TH101144)

2шт.

26

4125395

COVER

(SUB FOR TH101142)

1шт.

27

4084437

LOCK

(SUB FOR TH101143)

1шт.

28

21M7258

SCREW

M4 X 8, (SUB FOR TH101144)

2шт.

29

4514800

LOCK

(SUB FOR TH101145)

1шт.

30

21M7396

SCREW

(SUB FOR TH101146)

2шт.

31

12H315

LOCK WASHER

4.166 MM, (SUB FOR TH101147) (SUB FOR 12M7063)

2шт.

32

4125396

ISOLATOR

(SUB FOR TH101148)

1шт.

33

4158473

STOP

(SUB FOR TH101204)

4шт.

34

24M7054

WASHER

6.400 X 12 X 1.600 MM

8шт.

35

12M7006

LOCK WASHER

6 MM

8шт.

36

19M7375

CAP SCREW

M6 X 18

8шт.

37

4158988

ISOLATOR

(SUB FOR TH101214)

2шт.

38

494918

SPRING

(SUB FOR TH106783)

2шт.

39

4194497

PIN FASTENER

(SUB FOR TH106780)

2шт.

40

4194498

LEVER

(SUB FOR TH106782)

2шт.

50

4200708

CAB

(SUB FOR TH107960) (CONTAINS ALL ITEMS ON THIS PAGE, FOR ADDITIONAL COMPONENTS SEE FOLLOWING PAGES)

1шт.

Выбрано товаров: 47