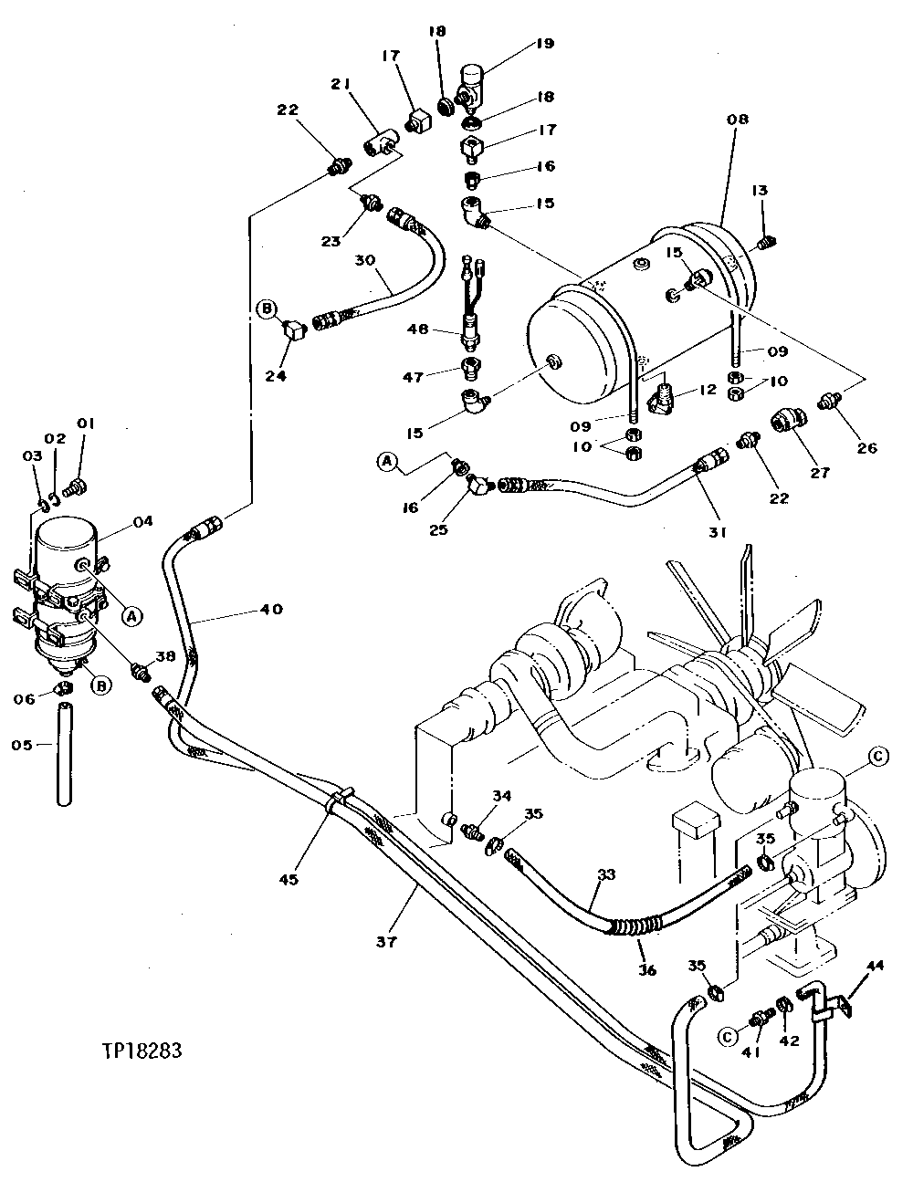
Запчасти John Deere 95 6 - COMPRESSED AIR SYSTEM 2261 - VEHICLE PNEUMATIC SYSTEMS 22

Схема запчастей John Deere 95 - 6 - COMPRESSED AIR SYSTEM 2261 - VEHICLE PNEUMATIC SYSTEMS 22
FIT
1:1
100%

Артикул

Название

Примечание

Количество

1

19M7938

CAP SCREW

M10 X 20

4шт.

2

12M7066

LOCK WASHER

10 MM (0.394") (SUB FOR TH100417)

4шт.

3

24M7028

WASHER

10.500 X 20 X 2 MM (0.413" X 0.787" X 0.079") (SUB FOR TH100263)

4шт.

4

4343737

RECEIVER-DRYER

(SUB FOR TH103966) (SUB FOR AT173104)

1шт.

5

HOSE

(MAKE FROM 5/8" VINYL HOSE CUT TO LENGTH)

1шт.

6

TY22464

CLAMP

(SUB FOR TH100896 AND AT145649) (SUB FOR AR21836)

1шт.

8

4172102

TANK

(SUB FOR TH103968)

1шт.

9

4151541

U-BOLT

(SUB FOR TH103969)

2шт.

10

14M7274

NUT

M10

8шт.

12

4172103

DRAIN VALVE

(SUB FOR TH103970)

1шт.

13

94-2024

FITTING PLUG

(SUB FOR TH101292)

1шт.

15

94-0632

ELBOW FITTING

(SUB FOR TH103971) (SUB FOR TH107042)

3шт.

16

94-1602

PIPE BUSHING

(SUB FOR TH102085)

2шт.

17

499820

ADAPTER FITTING

(SUB FOR TH103973)

2шт.

18

984219

SEALING WASHER

(SUB FOR TH103974)

2шт.

19

4092238

GOVERNOR

(SUB FOR TH103975)

1шт.

21

94-0661

TEE FITTING

(SUB FOR TH102950)

1шт.

22

T115957

ADAPTER FITTING

(SUB FOR TH101034)

2шт.

23

4156430

ADAPTER FITTING

(SUB FOR TH101937)

1шт.

24

4154656

ELBOW FITTING

(SUB FOR TH101588)

1шт.

25

T115889

ELBOW FITTING

(SUB FOR TH101035)

1шт.

26

94-1902

ADAPTER FITTING

(SUB FOR TH102083)

1шт.

27

986953

CHECK VALVE

(SUB FOR TH102095)

1шт.

30

AR101376

HYDRAULIC HOSE

7/16" X 356 MM (14") X 7/16", (SUB FOR TH101040)

1шт.

31

AT37543

HYDRAULIC HOSE - FABRICATE

9/16" X 483 MM (19") X 9/16", (SUB FOR TH103978)

1шт.

33

4183590

HYDRAULIC HOSE - FABRICATE

(SUB FOR TH103979)

1шт.

34

4168965

FITTING

(SUB FOR TH102119)

1шт.

35

WZ2141223

HOSE CLAMP

(SUB FOR TH102120 OR AR21837, THIS APPLICATION) (SUB FOR AA34965)

3шт.

36

4432360

HOSE GUARD

(SUB FOR TH105627 OR 4192956)

1шт.

37

TH103980

HYDRAULIC HOSE - FABRICATE

1шт.

38

4154653

ADAPTER FITTING

(SUB FOR TH100989)

1шт.

40

4183226

HYDRAULIC HOSE - FABRICATE

(SUB FOR TH103981)

1шт.

41

R67293

FITTING

(SUB FOR TH102116)

1шт.

42

TY22464

CLAMP

(SUB FOR TH100896 AND AT145649) (SUB FOR AR21836)

1шт.

44

4192965

CLAMP

(SUB FOR TH105628)

1шт.

45

H77698

TIE BAND

(SUB FOR T44946)

5шт.

47

94-1608

PIPE BUSHING

(SUB FOR TH103982)

1шт.

48

4206449

PRESSURE SWITCH

(SUB FOR TH103983) (SUB FOR TH110094)

1шт.

Выбрано товаров: 38