Запчасти John Deere 95 48 - STABILIZER CYLINDER CHECK VALVE 3360 - BACKHOE AND EXCAVATOR 33

Схема запчастей John Deere 95 - 48 - STABILIZER CYLINDER CHECK VALVE 3360 - BACKHOE AND EXCAVATOR 33
FIT
1:1
100%

Артикул

Название

Примечание

Количество

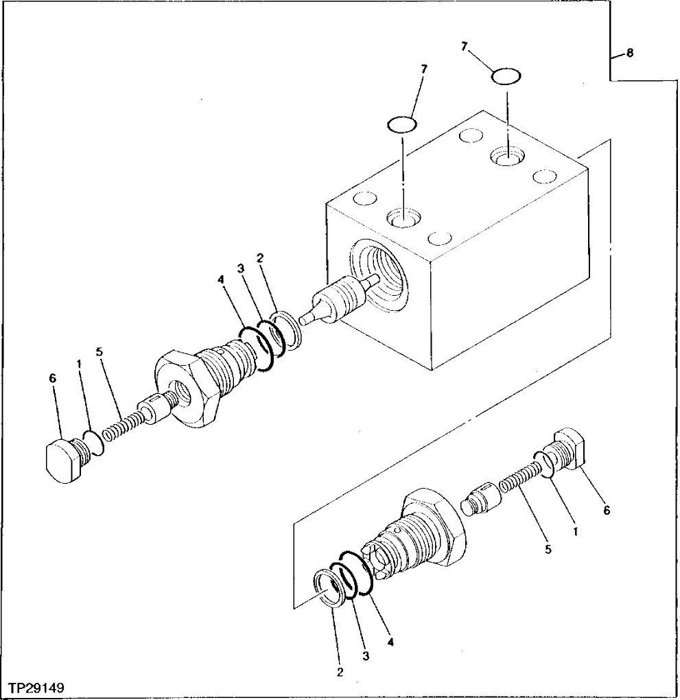
1

M800650

PACKING

(SUB FOR TH100716)

2шт.

2

4040814

BACK-UP RING

(SUB FOR TH105938)

2шт.

3

T111819

O-RING

(SUB FOR TH106167)

2шт.

4

R495R

O-RING

(SUB FOR T57248)

2шт.

5

0303005

SPRING

(SUB FOR TH110101)

2шт.

6

0303006

FITTING

(SUB FOR TH110102)

2шт.

7

CH10568

PACKING

(SUB FOR TH102668)

2шт.

8

0264908

CHECK VALVE

(SUB FOR TH105025)

1шт.

Выбрано товаров: 8