Запчасти John Deere 95 2 - POWER TRAIN 240 - AXLES AND SUSPENSION SYSTEMS 2

Схема запчастей John Deere 95 - 2 - POWER TRAIN 240 - AXLES AND SUSPENSION SYSTEMS 2
FIT
1:1
100%

Артикул

Название

Примечание

Количество

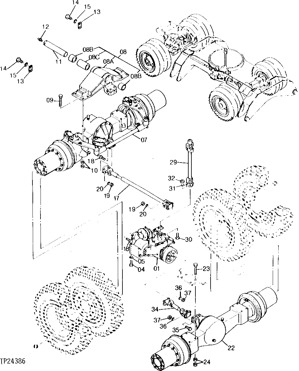
1

4149017

TRANSMISSION

(SUB FOR TH104256)

1шт.

4

19M7847

SCREW

M16 X 180, (SUB FOR TH104257)

4шт.

5

12H294

LOCK WASHER

5/8", (SUB FOR TH100466)

4шт.

7

FRONT AXLE

( TH104258 NO LONGER AVAILABLE)

1шт.

8

9051977

BALANCER

(SUB FOR TH104259)

1шт.

8A

HOUSING

( TH104260 USE IF AVAILABLE)

1шт.

8B

4150849

BUSHING

(SUB FOR TH104261)

2шт.

8C

4150848

SPACER

(SUB FOR TH104262)

1шт.

9

19M8111

CAP SCREW

M24 X 280, (SUB FOR TH104263)

8шт.

10

14M7278

NUT

M24, (SUB FOR TH104264)

16шт.

11

3035938

PIN FASTENER

(SUB FOR TH105639)

1шт.

12

TH100074

LUBRICATION FITTING

1шт.

13

4191571

STRAP

(SUB FOR TH104266) (SUB FOR TH105640)

2шт.

14

19M7489

CAP SCREW

M16 X 45

4шт.

15

12H294

LOCK WASHER

5/8", (SUB FOR TH100466)

4шт.

17

UNIVERSAL JOINT WITH SHAFT

( TH104267 NOT AVAILABLE) (FRONT AXLE TO TRANSMISSION)

1шт.

18

4151651

BOLT

(SUB FOR TH104268)

8шт.

19

14M7357

NUT

M12, (SUB FOR TH104269)

8шт.

20

12H301

LOCK WASHER

1/2", (SUB FOR TH100413)

8шт.

22

REAR AXLE

( TH104270 NO LONGER AVAILABLE)

1шт.

23

19M8111

CAP SCREW

M24 X 280, (SUB FOR TH104263)

8шт.

24

14M7278

NUT

M24, (SUB FOR TH104264)

16шт.

29

UNIVERSAL JOINT

( TH104275 NOT AVAILABLE, ORDER COMPONENTS) (PROPEL MOTOR TO TRANSMISSION)

1шт.

30

4151648

BOLT

(SUB FOR TH104276)

4шт.

31

12M7066

LOCK WASHER

10 MM, (SUB FOR TH100417)

4шт.

32

M67206

NUT

(SUB FOR TH104277)

4шт.

34

UNIVERSAL JOINT WITH SHAFT

( TH104278 NOT AVAILABLE) (TRANSMISSION TO REAR AXLE)

1шт.

35

4151651

BOLT

(SUB FOR TH104268)

4шт.

36

12H301

LOCK WASHER

1/2", (SUB FOR TH100413)

8шт.

37

14M7357

NUT

M12, (SUB FOR TH104269)

8шт.

Выбрано товаров: 30