Запчасти John Deere 00C LC 141 - HEAVY DUTY PLATE LIP BUCKET 3302 BUCKET WITH TEETH

Схема запчастей John Deere 00C LC - 141 - HEAVY DUTY PLATE LIP BUCKET 3302 BUCKET WITH TEETH
FIT
1:1
100%

Артикул

Название

Примечание

Количество

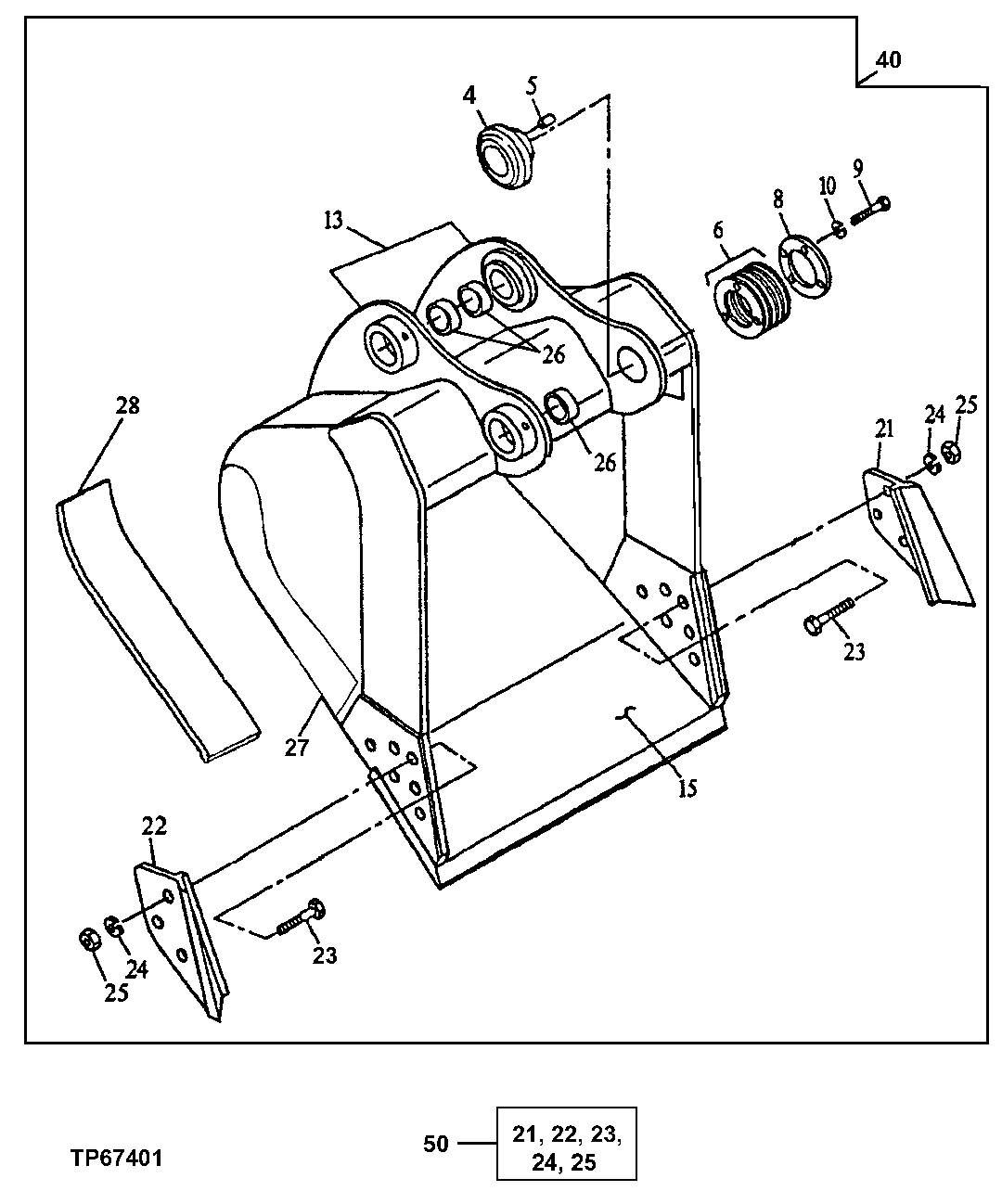
4

AT189904

Bushing

1шт.

5

C31732

Dowel Pin

(F)

2шт.

6

AT189905

Shim

14шт.

8

AT189906

Retainer

1шт.

9

19M7968

Cap Screw

M20 X 130

4шт.

10

12M7070

Lock Washer

20 mm

4шт.

13

05673

Pivot

(F) (USE WITH AT189718)

1шт.

05674

Pivot

(F) (USE WITH AT189720)

1шт.

05675

Pivot

(F) (USE WITH AT189722)

1шт.

05676

Pivot

(F) (USE WITH AT189724)

1шт.

05677

Pivot

(F) (USE WITH AT189726)

1шт.

05679

Pivot

(F) (USE WITH AT189728)

1шт.

15

C30651

Cutting Edge

(F) (USE WITH AT189718)

1шт.

C30652

Cutting Edge

(F) (USE WITH AT189720)

1шт.

C30653

Cutting Edge

(F) (USE WITH AT189722)

1шт.

C30654

Cutting Edge

(F) (USE WITH AT189724)

1шт.

C30655

Cutting Edge

(F) (USE WITH AT189726)

1шт.

C30657

Cutting Edge

(F) (USE WITH AT189728)

1шт.

21

1010517

Cutting Edge

(SUB AT189734)

1шт.

22

1010518

Cutting Edge

(SUB AT189734)

1шт.

23

J932785

Bolt

(SUB AT189734)

ARшт.

24

4085857

Washer

(SUB AT189734)

ARшт.

25

14M7476

Nut

M27 (SUB AT189734)

ARшт.

26

4295980

Bushing

3шт.

27

C317345

Plate

(F) (USE WITH AT189718, AT189720, AT1 89722, AT189724, AT189726 OR AT189728)

2шт.

28

C616777

Bar

(F) (USE WITH AT189718)

1шт.

C616778

Bar

(F) (USE WITH AT189720)

1шт.

C616779

Bar

(F) (USE WITH AT189722)

1шт.

C616780

Bar

(F) (USE WITH AT189724)

1шт.

C616781

Bar

(F) (USE WITH AT189726)

1шт.

C616783

Bar

(F) (USE WITH AT189728)

1шт.

40

Excavator Bucket

(A) (F) (AT189718) (36 INCH - 1.97 CUBIC YARD)

1шт.

Excavator Bucket

(A) (F) (AT189720) (42 INCH - 2.43 CUBIC YARD)

1шт.

Excavator Bucket

(A) (F) (48 INCH - 2.90 CUBIC YARD)

1шт.

Excavator Bucket

(A) (F) (AT189724) (54 INCH - 3.38 CUBIC YARD)

1шт.

Excavator Bucket

(A) (F) (AT189726) (60 INCH - 3.86 CUBIC YARD)

1шт.

Excavator Bucket

(A) (F) (AT189728) (72 INCH - 4.84 CUBIC YARD)

1шт.

50

Kit

(AT189734 NLA) (SIDE CUTTER)

1шт.

Выбрано товаров: 38