Запчасти John Deere 00C LC 142 - HEAVY DUTY HIGH CAPACITY PLATE LIP BUCKET 3302 BUCKET WITH TEETH

Схема запчастей John Deere 00C LC - 142 - HEAVY DUTY HIGH CAPACITY PLATE LIP BUCKET 3302 BUCKET WITH TEETH
FIT
1:1
100%

Артикул

Название

Примечание

Количество

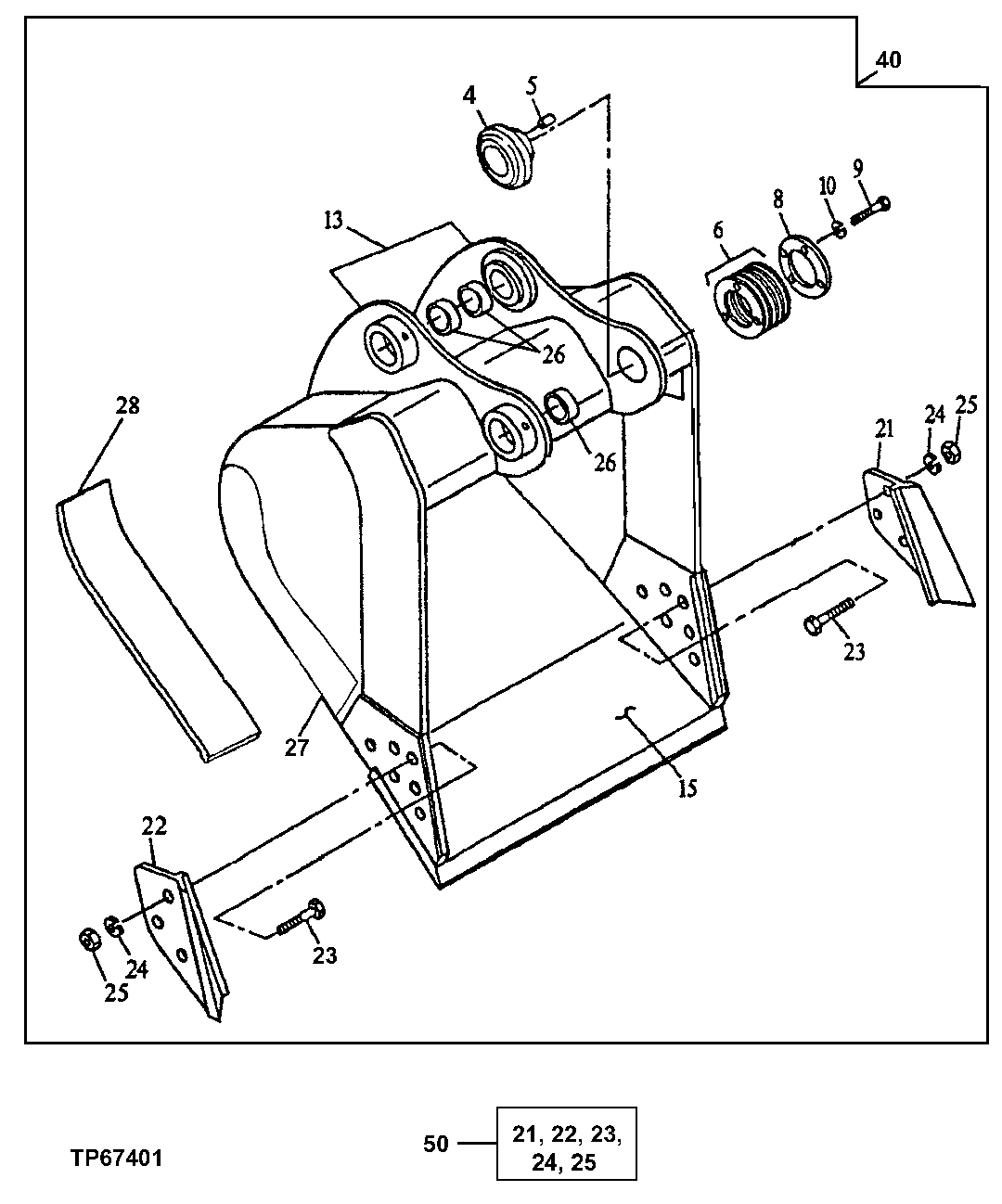
4

AT189904

Bushing

1шт.

5

C31732

Dowel Pin

(F)

2шт.

6

AT189905

Shim

14шт.

8

AT189906

Retainer

1шт.

9

19M7968

Cap Screw

M20 X 130

4шт.

10

12M7070

Lock Washer

20 mm

4шт.

13

05868

Pivot

(F) (USE WITH AT189719)

1шт.

05869

Pivot

(F) (USE WITH AT189721)

1шт.

05870

Pivot

(F) (USE WITH AT189723)

1шт.

05871

Pivot

(F) (USE WITH AT189725)

1шт.

05872

Pivot

(F) (USE WITH AT189727)

1шт.

15

C30651

Cutting Edge

(F) (USE WITH AT189719)

1шт.

C30652

Cutting Edge

(F) (USE WITH AT189721)

1шт.

C30653

Cutting Edge

(F) (USE WITH AT189723)

1шт.

C30654

Cutting Edge

(F) (USE WITH AT189725)

1шт.

C30655

Cutting Edge

(F) (USE WITH AT189727)

1шт.

21

1010517

Cutting Edge

(SUB AT189734)

1шт.

22

1010518

Cutting Edge

(SUB AT189734)

1шт.

23

J932785

Bolt

(SUB AT189734)

ARшт.

24

4085857

Washer

(SUB AT189734)

ARшт.

25

14M7476

Nut

M27 (SUB AT189734)

ARшт.

26

4295980

Bushing

3шт.

27

C317507

Plate

(F) (USE WITH AT189719, AT189721 , AT189723, AT189725 OR AT189727)

2шт.

28

C616459

Bar

(F) (USE WITH AT189719)

1шт.

C616460

Bar

(F) (USE WITH AT189721)

1шт.

C616461

Bar

(F) (USE WITH AT189723)

1шт.

C616462

Bar

(F) (USE WITH AT189725)

1шт.

C616463

Bar

(F) (USE WITH AT189727)

1шт.

40

Excavator Bucket

(A) (F) (AT189719) (36 INCH - 2.36 CUBIC YARD)

1шт.

Excavator Bucket

(A) (F) (AT189721) (42 INCH - 2.90 CUBIC YARD)

1шт.

Excavator Bucket

(A) (F) (AT189723) (48 INCH - 3.47 CUBIC YARD)

1шт.

Excavator Bucket

(A) (F) (AT189725) (54 INCH - 4.04 CUBIC YARD)

1шт.

Excavator Bucket

(A) (F) (AT189727) (60 INCH - 4.63 CUBIC YARD)

1шт.

50

Kit

(AT189734 NLA) (SIDE CUTTER)

1шт.

Выбрано товаров: 34