Запчасти John Deere 00C LC 143 - HEAVY DUTY PLATE LIP BUCKET (USE WITH LONG-ARM) 3302 BUCKET WITH TEETH

Схема запчастей John Deere 00C LC - 143 - HEAVY DUTY PLATE LIP BUCKET (USE WITH LONG-ARM) 3302 BUCKET WITH TEETH
FIT
1:1
100%

Артикул

Название

Примечание

Количество

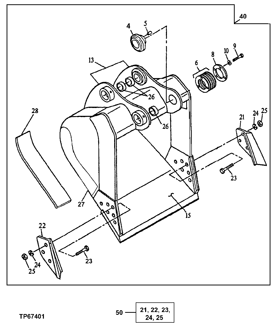
4

C31765

Bushing

(F)

1шт.

5

C31732

Dowel Pin

(F)

2шт.

6

C31768

Shim

(F)

14шт.

8

C31766

Retainer

(F)

1шт.

9

C31767

Cap Screw

(F)

4шт.

10

C17039

Washer

(F)

4шт.

13

10065

Pivot

(F) (USE WITH AT189755)

1шт.

10066

Pivot

(F) (USE WITH AT189756)

1шт.

10067

Pivot

(F) (USE WITH AT189757)

1шт.

10068

Pivot

(F) (USE WITH AT189758)

1шт.

10069

Pivot

(F) (USE WITH AT189759)

1шт.

15

C30651

Cutting Edge

(F) (USE WITH AT189755)

1шт.

C30652

Cutting Edge

(F) (USE WITH AT189756)

1шт.

C30653

Cutting Edge

(F) (USE WITH AT189757)

1шт.

C30654

Cutting Edge

(F) (USE WITH AT189758)

1шт.

C30655

Cutting Edge

(F) (USE WITH AT189759)

1шт.

21

1010517

Cutting Edge

(SUB AT189734)

1шт.

22

1010518

Cutting Edge

(SUB AT189734)

1шт.

23

J932785

Bolt

(SUB AT189734)(K2)

ARшт.

24

4085857

Washer

(SUB AT189734)(K2)

ARшт.

25

14M7476

Nut

M27 (SUB AT189734)

ARшт.

26

4295980

Bushing

3шт.

27

C317479

Plate

(F)

2шт.

28

C616412

Bar

(F) (USE WITH AT189755)

1шт.

C616413

Bar

(F) (USE WITH AT189756)

1шт.

C616414

Bar

(F) (USE WITH AT189757)

1шт.

C616415

Bar

(F) (USE WITH AT189758)

1шт.

C616416

Bar

(F) (USE WITH AT189759)

1шт.

40

Excavator Bucket

(A) (F) (AT189755) (36 INCH - 1.70 CUBIC YARD)

1шт.

Excavator Bucket

(A) (F) (AT189756) (42 INCH - 2.07 CUBIC YARD)

1шт.

Excavator Bucket

(A) (F) (AT189757) (48 INCH - 2.48 CUBIC YARD)

1шт.

Excavator Bucket

(A) (F) (AT189758) (54 INCH - 2.87 CUBIC YARD)

1шт.

Excavator Bucket

(A) (F) (AT189759) (60 INCH - 3.30 CUBIC YARD)

1шт.

50

Kit

( AT189734 NLA) (SIDE CUTTER)

1шт.

Выбрано товаров: 34