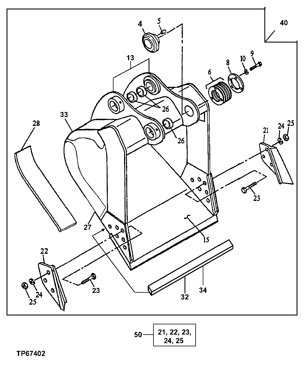
Запчасти John Deere 00C LC 145 - SEVERE DUTY PLATE LIP BUCKET (USE WITH 9 FT. 6 IN. ARM) (CONTINUED) 3302 BUCKET WITH TEETH

Схема запчастей John Deere 00C LC - 145 - SEVERE DUTY PLATE LIP BUCKET (USE WITH 9 FT. 6 IN. ARM) (CONTINUED) 3302 BUCKET WITH TEETH
FIT
1:1
100%

Артикул

Название

Примечание

Количество

33

C619038

Plate

(F) Upper RH

1шт.

C619039

Plate

(F) Upper LH

1шт.

34

C27052

Bar

(F) (USE WITH AT189746)

1шт.

C33124

Bar

(F) (USE WITH AT189747)

1шт.

C33125

Bar

(F) (USE WITH AT189748)

1шт.

C33126

Bar

(F) (USE WITH AT189749)

1шт.

C33127

Bar

(F) (USE WITH AT189750)

1шт.

C23311

Bar

(F) (USE WITH AT189751)

1шт.

40

Excavator Bucket

(A) (F) (AT189746) (36 INCH - 2.35 CUBIC YARD)

1шт.

Excavator Bucket

(A) (F) (AT189747) (42 INCH - 2.90 CUBIC YARD)

1шт.

Excavator Bucket

(A) (F) (AT189748) (48 INCH - 3.50 CUBIC YARD)

1шт.

Excavator Bucket

(A) (F) (AT189749) (54 INCH - 4.00 CUBIC YARD)

1шт.

Excavator Bucket

(A) (F) (AT189750) (60 INCH - 4.62 CUBIC YARD)

1шт.

Excavator Bucket

(A) (F) (AT189751) (72 INCH - 4.84 CUBIC YARD)

1шт.

50

Kit

SIDE CUTTER ( AT189734 NLA)

1шт.

Выбрано товаров: 15