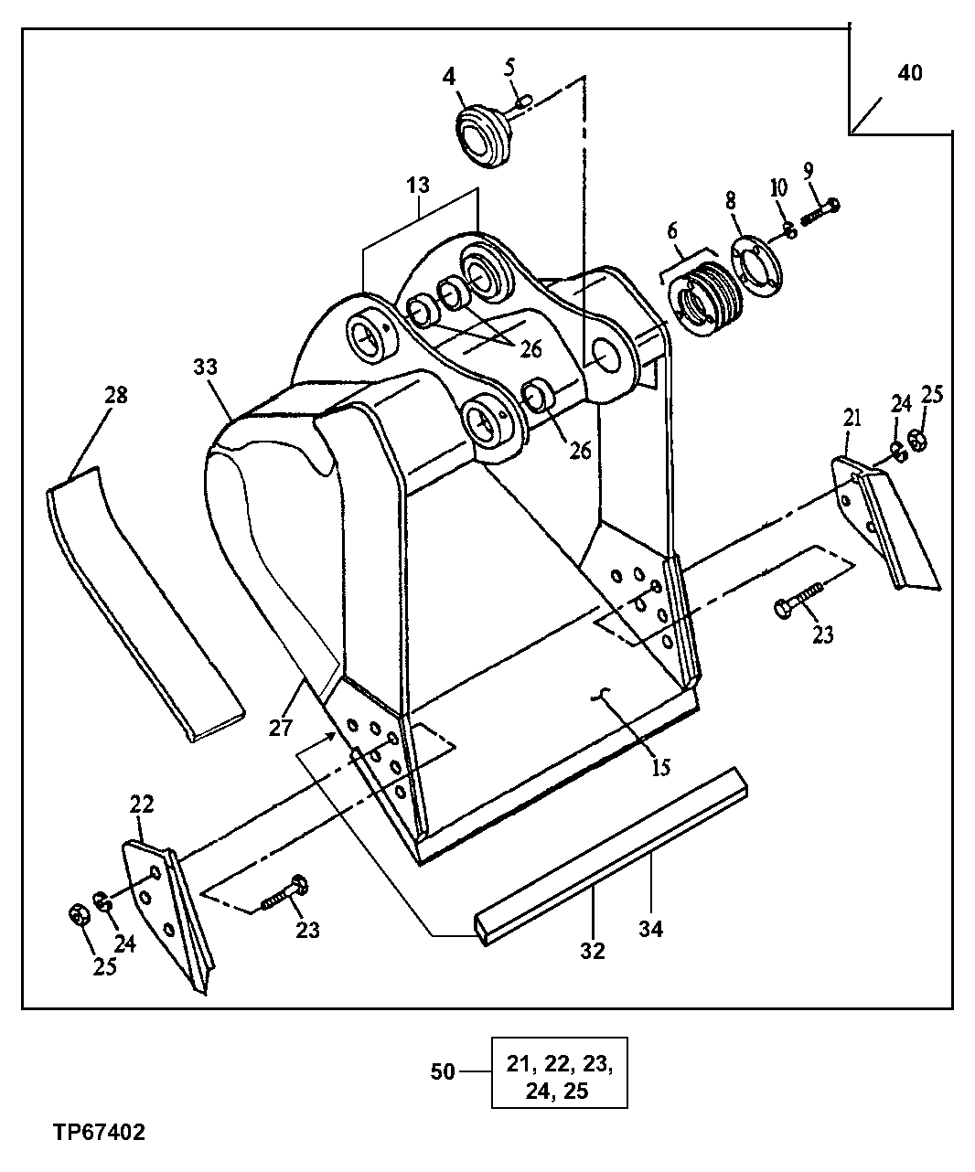
Запчасти John Deere 00C LC 147 - SEVERE DUTY PLATE LIP BUCKET (ARMS 9 FT. 6 IN., 11 FT. 6 IN. AND 13 FT. 5 IN.) (CONTINUED) 3302 BUCKET WITH TEETH

Схема запчастей John Deere 00C LC - 147 - SEVERE DUTY PLATE LIP BUCKET (ARMS 9 FT. 6 IN., 11 FT. 6 IN. AND 13 FT. 5 IN.) (CONTINUED) 3302 BUCKET WITH TEETH
FIT
1:1
100%

Артикул

Название

Примечание

Количество

33

C619038

Plate

(F) Upper RH

1шт.

C619039

Plate

(F) Upper LH

1шт.

34

C27052

Bar

(F) (USE WITH AT189739)

1шт.

C33124

Bar

(F) (USE WITH AT189741)

1шт.

C33125

Bar

(F) (USE WITH AT189742)

1шт.

C33126

Bar

(F) (USE WITH AT189743)

1шт.

C33127

Bar

(F) (USE WITH AT189744)

1шт.

40

Excavator Bucket

(A) (F) (AT189739) (36 INCH - 2.36 CUBIC YARD)

1шт.

Excavator Bucket

(A) (F) (AT189741) (42 INCH - 2.90 CUBIC YARD)

1шт.

Excavator Bucket

(A) (F) (AT189742) (48 INCH - 3.47 CUBIC YARD)

1шт.

Excavator Bucket

(A) (F) (AT189743) (54 INCH - 4.04 CUBIC YARD)

1шт.

Excavator Bucket

(A) (F) (AT189744) (60 INCH - 4.63 CUBIC YARD)

1шт.

50

Kit

SIDE CUTTER ( AT189734 NLA)

1шт.

Выбрано товаров: 13