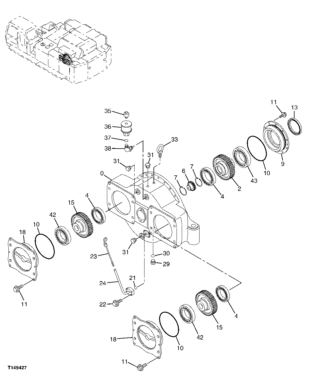
Запчасти John Deere 00C LC 183 - HYDRAULIC GEAR PUMP 3361 HYDRAULIC PUMP

Схема запчастей John Deere 00C LC - 183 - HYDRAULIC GEAR PUMP 3361 HYDRAULIC PUMP
FIT
1:1
100%

Артикул

Название

Примечание

Количество

0

0003954

Housing

1шт.

2

2045793

Gear

1шт.

4

4160773

Ball Bearing

(SUB FOR TH4160773)

3шт.

6

3040803

Coupling

(SUB FOR TH3040803)

1шт.

7

40M7044

Snap Ring

2шт.

9

2045752

Cover

1шт.

10

4218005

O-Ring

(SUB FOR TH4218005)

3шт.

11

19M7403

Cap Screw

M12 X 35

18шт.

12H301

Lock Washer

1/2"

18шт.

13

4083852

Seal

(SUB FOR TH4083852)

1шт.

15

2045794

Gear

2шт.

18

2045749

Cover

2шт.

21

A811030

O-Ring

(SUB FOR TH101300)

1шт.

22

19M7358

Cap Screw

M10 X 40

4шт.

12M7066

Lock Washer

10 mm

4шт.

24M7096

Washer

10.500 X 18 X 1.600 mm

4шт.

23

4634350

Dipstick

(SUB FOR 4257236)

1шт.

24

8087419

Dipstick Tube

1шт.

29

4074727

Drain Plug

(SUB FOR TH100027)

1шт.

30

R77401

O-Ring

1шт.

31

4174542

Drain Plug

(SUB FOR TH110478)

3шт.

31A

AT318035

O-Ring

(SUB FOR 4506424, TH100055)

1шт.

33

4083751

Eyebolt

(SUB FOR TH4083751)

1шт.

35

4722534

Breather

1шт.

4351039

Breather

1шт.

4722534

Breather

SUB FOR 4298488

1шт.

36

8104650

Pipe

(SUB FOR 8087727 OR 8092124)

1шт.

8089970

Line

1шт.

8104650

Pipe

(SUB FOR 8087727 OR 8092124)

1шт.

8092124

Line

1шт.

37

T76938

O-Ring

1шт.

38

A853368

Elbow Fitting

(SUB FOR THA853368)

1шт.

38A

AT318035

O-Ring

(SUB FOR 4506424, TH100055)

1шт.

42

4472548

Ball Bearing

2шт.

43

4472549

Ball Bearing

1шт.

Выбрано товаров: 35