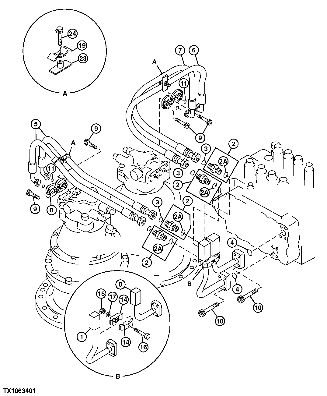
Запчасти John Deere 00C LC 218 - MAIN HYDRAULIC LINES 3363 LINES, HOSES AND FITTINGS

Схема запчастей John Deere 00C LC - 218 - MAIN HYDRAULIC LINES 3363 LINES, HOSES AND FITTINGS
FIT
1:1
100%

Артикул

Название

Примечание

Количество

0

8038955

Line

(SUB FOR AT132066)

1шт.

1

8055536

Oil Line

(SUB FOR AT201895)

1шт.

2

A853166

Adapter Fitting

(SUB FOR AT107392 OR 4189619)

4шт.

AT318035

O-Ring

(SUB FOR 4506424, TH100055)

1шт.

3

T77858

O-Ring

18.771 X 1.778 mm (0.739" X 0.070")

4шт.

4

T72216

O-Ring

37.694 X 3.531 mm (1-31/64" X 0.139")

2шт.

5

4314398

Hydraulic Hose

(SUB FOR TH4314398)

2шт.

6

4343422

Hydraulic Hose

(SUB FOR TH4343422)

1шт.

7

4314399

Hydraulic Hose

(SUB FOR TH4314399)

1шт.

8

R29424

Flange Fitting

8шт.

9

19M8337

Screw

M10 X 30

16шт.

10

19M8734

Screw

M14 X 45

8шт.

11

T59014

O-Ring

24.994 X 3.531 mm (63/64" X 0.139")

4шт.

14

4053599

Clamp

(SUB FOR TH101980)

2шт.

15

14M7275

Nut

M12

1шт.

16

19M7753

Cap Screw

M12 X 70

1шт.

17

12H301

Lock Washer

1/2"

1шт.

19

4202103

Clamp

(SUB FOR TH108302)

2шт.

23

9727822

Clamp

(SUB FOR TH109556)

2шт.

24

19M8348

Cap Screw

M12 X 65

2шт.

19M7363

Cap Screw

M12 X 60

2шт.

12H301

Lock Washer

1/2"

2шт.

24M7047

Washer

13 X 24 X 2.500 mm

2шт.

Выбрано товаров: 23