Запчасти John Deere 00C LC 31 - Fuel Injection System 0413 FUEL INJECTION SYSTEM

Схема запчастей John Deere 00C LC - 31 - Fuel Injection System 0413 FUEL INJECTION SYSTEM
FIT
1:1
100%

Артикул

Название

Примечание

Количество

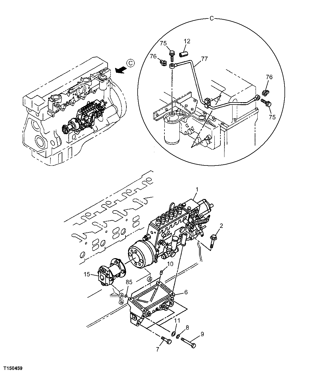
1

1156033421

Fuel Injection Pump

SUB FOR AT263678 OR 1156034280

1шт.

Fuel Injection Pump Reman

SE502081 NLA, REMAN FOR 1156033421

1шт.

2

8943973591

Bolt

SUB FOR AT264122

4шт.

6

1197511560

Bracket

SUB FOR AT264103

1шт.

7

0289514900

Bolt

M14 X 90 Flange SUB FOR 0289814900 OR AT263886

2шт.

8

0915108140

Washer

ID = 14 SUB FOR 9091508140

2шт.

9

9098041931

Bolt

M14 X 117 SUB FOR AT264150

2шт.

10

9197590191

Dowel Pin

SUB FOR AT264159

2шт.

11

0916105140

Washer

ID = 14, OD = 26, TK = 2.3 S UB FOR AT264143 OR 9091605140

2шт.

12

1093765120

Cover

ID = 6, OD = 10, L = 70 SUB FOR AT263908

2шт.

15

1157801431

Coupling

SUB FOR AT263728

1шт.

75

1096750371

Bolt

M8 X 18 Flange SUB FOR AT263948

9шт.

76

8980659920

Gasket

ID = 8.6 SUB FOR 8976009250 OR AT263665

9шт.

77

1154166540

Oil Tube

SUB FOR AT264089

1шт.

85

1096234780

Gasket

ID = 18.8 SUB FOR AT263931

3шт.

Выбрано товаров: 15