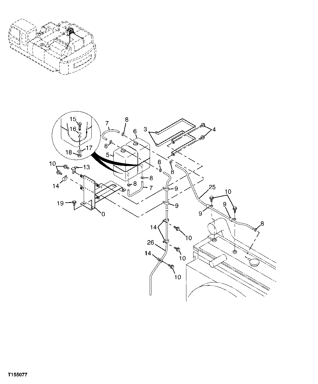
Запчасти John Deere 00C LC 55 - RESERVE TANK 0510 ENGINE COOLING SYSTEM

Схема запчастей John Deere 00C LC - 55 - RESERVE TANK 0510 ENGINE COOLING SYSTEM
FIT
1:1
100%

Артикул

Название

Примечание

Количество

0

8084205

Bracket

1шт.

3

4469398

Clamp

2шт.

4

19M7402

Cap Screw

M10 X 25

4шт.

12M7066

Lock Washer

10 mm

4шт.

5

4392068

Tank

1шт.

6

4361805

Tank

INCLUDES 4338011

1шт.

4338011

Switch

Coolant Level Sensor

1шт.

7

4380659

Hose

2шт.

8

TY22462

Clamp

(SUB FOR AR48236)

7шт.

9

AH79175

Clip

(SUB FOR TH108600 OR 4190272)

7шт.

10

19M7938

Cap Screw

M10 X 20

7шт.

12M7066

Lock Washer

10 mm

7шт.

13

4257159

Bracket

(SUB FOR AT154243)

1шт.

14

4190261

Clip

(SUB FOR TH109649)

4шт.

15

3080498

Fitting

2шт.

16

CH10569

Packing

2шт.

17

4291332

Washer

2шт.

18

M521210

Nut

2шт.

19

19M7662

Cap Screw

M10 X 30

4шт.

12M7066

Lock Washer

10 mm

4шт.

24M7028

Washer

10.500 X 20 X 2 mm

4шт.

25

Radiator Hose

4395169 NLA, MF TY25195 CTL, 1100 mm

1шт.

26

Radiator Hose

4353970 NLA, MF TY25195 CTL , 1950 mm, SUB FOR TH4353970

1шт.

Выбрано товаров: 23