Запчасти John Deere 90 2 - STARTING MOTOR 85 - ALTERNATOR, STARTING MOTOR, REGULATOR AND BATTERIES

Схема запчастей John Deere 90 - 2 - STARTING MOTOR 85 - ALTERNATOR, STARTING MOTOR, REGULATOR AND BATTERIES
FIT
1:1
100%

Артикул

Название

Примечание

Количество

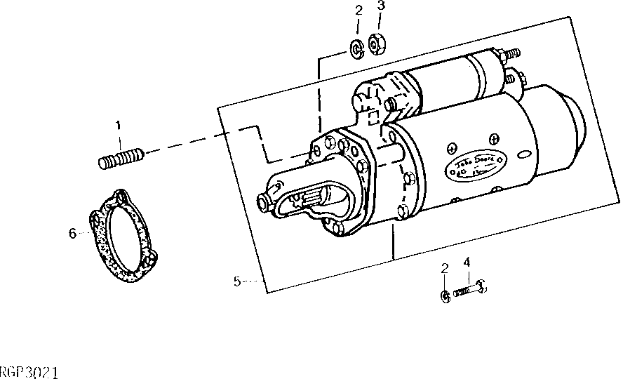
1

R55396

STUD

1шт.

2

12H304

LOCK WASHER

3/8"

3шт.

3

14H1076

NUT

3/8"

1шт.

4

19H3385

CAP SCREW

1/2" X 1-1/8"

2шт.

5

AR78538

STARTER MOTOR

(DELCO-REMY NO. 1113672, 1113402, OR 1113391) (SUB RE41875 OR TY6713) (SUB FOR AR41627, AR55638 OR AR62267)

1шт.

AR77254

STARTER MOTOR

(NIPPONDENSO NO. 028000-3291) (SUB RE41875 OR TY6713, THIS APPLICATION) (SUB FOR AR55639 OR AR78538)

1шт.

RE13722

STARTER MOTOR

(NIPPONDENSO NO. 028000-3292) (SUB RE41875 OR TY6713)

1шт.

TY6617

STARTER MOTOR

(REMANUFACTURED) (NIPPONDENSO NO. 9702800-3290) (SUB TY6713)

1шт.

6

R57480

GASKET

1шт.

RE41875

STARTER MOTOR

(NIPPONDENSO NO. 028000-3292) (CONTAINS RE39064)

1шт.

TY6713

STARTER MOTOR

(REMANUFACTURED) (NIPPONDENSO NO. 9702800-3290 WITH RE39064)

1шт.

TY6710

STARTER MOTOR

(REMANUFACTURED) (CHAMPION NO. 8369) (INCLUDES RE39838)

1шт.

TY6701

STARTER MOTOR

(REMANUFACTURED) (CHAMPION) (INCLUDES RE39838)

1шт.

SE501444

STARTER MOTOR

(REMANUFACTURED FOR TY6701)

1шт.

SE501446

STARTER MOTOR

(REMANUFACTURED FOR TY6710)

1шт.

Выбрано товаров: 0