Запчасти John Deere 90 3 - ALTERNATOR AND MOUNTING BRACKET 85 - ALTERNATOR, STARTING MOTOR, REGULATOR AND BATTERIES

Схема запчастей John Deere 90 - 3 - ALTERNATOR AND MOUNTING BRACKET 85 - ALTERNATOR, STARTING MOTOR, REGULATOR AND BATTERIES
FIT
1:1
100%

Артикул

Название

Примечание

Количество

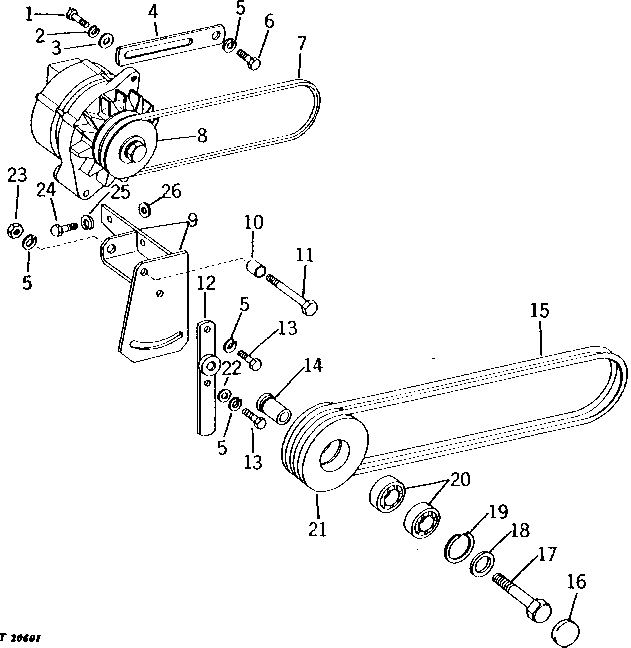
1

19H2127

CAP SCREW

5/16" X 7/8"

1шт.

2

12H303

LOCK WASHER

5/16"

1шт.

3

24H1136

WASHER

11/32" X 11/16" X 0.065"

1шт.

4

R107734

STRAP

(SUB FOR T20204)

1шт.

5

12H304

LOCK WASHER

3/8"

4шт.

6

19H2284

CAP SCREW

3/8" X 7/8"

2шт.

7

U46257

V-BELT

1шт.

8

ALTERNATOR

(SUB AR40420 OR TY1430)

1шт.

TY1430

ALTERNATOR

REMANUFACTURED

1шт.

9

AR48916

BRACKET

(SUB FOR AR43645)

1шт.

10

T31274

SPACER

(SUB FOR U46258)

1шт.

11

19H2054

CAP SCREW

3/8" X 4-3/4"

1шт.

12

SUPPORT

( AR43647 NO LONGER AVAILABLE)

1шт.

13

19H2284

CAP SCREW

3/8" X 7/8"

2шт.

14

R43843

BUSHING

1шт.

15

AR43648

BELT SET

1шт.

16

T22653

PLUG

1шт.

17

R20634

BOLT

1шт.

18

R42841

WASHER

(SUB FOR R43844)

1шт.

19

R55408

WEAR RING

(SUB FOR D398R, R61963 OR R66072)

1шт.

20

JD7142

BALL BEARING

2шт.

21

R43845

IDLER

1шт.

22

24M7096

WASHER

0.413" X 0.709" X 0.063"

1шт.

23

14H1076

NUT

3/8"

1шт.

24

19H1773

CAP SCREW

7/16" X 1-1/8"

2шт.

25

12H293

LOCK WASHER

7/16"

2шт.

26

24H1781

WASHER

13/32" X 7/8" X 1/4"

1шт.

Выбрано товаров: 27